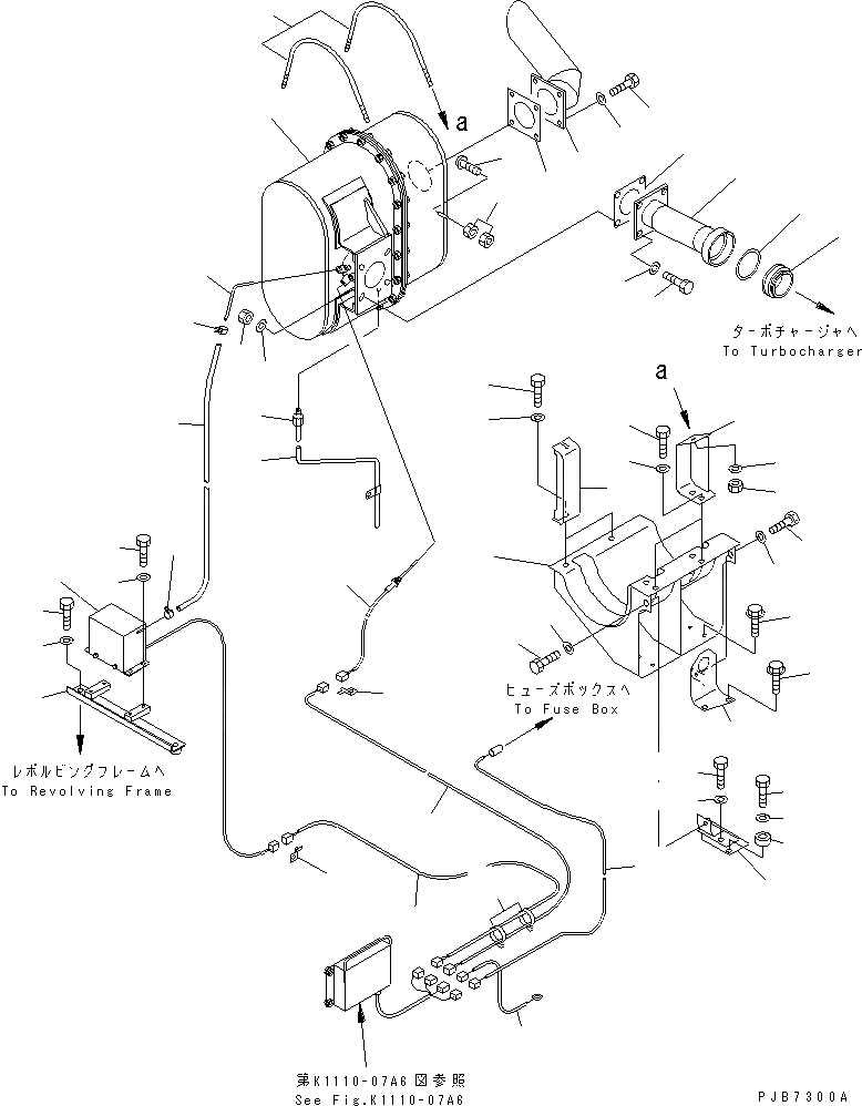
Запчасти Komatsu PC210-6 КЕРАМИЧ. ГЛУШИТЕЛЬ(№9-) КОМПОНЕНТЫ ДВИГАТЕЛЯ

Схема запчастей Komatsu PC210-6 - КЕРАМИЧ. ГЛУШИТЕЛЬ(№9-) КОМПОНЕНТЫ ДВИГАТЕЛЯ
1
2
3
4
5
6
7
8
8
9
10
11
12
13
14
15
16
17
18
19
19
20
20
21
22
23
24
24
25
25
26
27
28
29
30
31
32
33
34
35
36
37
38
39
40
41
41
42
43
44
45
46
47
48
49
50
51
52
FIT
1:1
100%

Артикул

Название

Примечание

Количество

1

6138-12-5513

MUFFLER,CERAMIC

2

01220-40540

SCREW

3

01580-10504

NUT

4

20Y-01-21870

TUBE

5

20Y-01-21880

ADAPTER

6

6136-12-5280

RING

7

01010-81240

BOLT

8

01643-31232

WASHER

9

01580-11210

NUT

10

6138-11-5810

GASKET

11

20Y-01-21560

PIPE

12

01010-81225

BOLT

13

01643-31232

WASHER

14

6138-11-5810

GASKET

15

6124-11-6151

NIPPLE

16

6209-11-5490

TUBE

17

20Y-01-21810

BRACKET

18

01435-01025

BOLT

19

01010-81230

BOLT

20

01643-31232

WASHER

21

20Y-01-21840

BRACKET

22

01435-01255

BOLT

23

20Y-01-21851

BRACKET

23

20Y-01-21850

BRACKET

24

01010-81035

BOLT

25

01643-31032

WASHER

26

21T-72-14930

BOSS

27

20Y-01-21830

BRACKET

28

01010-81230

BOLT

29

01643-31232

WASHER

30

20Y-01-21820

BRACKET

31

01010-81230

BOLT

32

01643-31232

WASHER

33

20Y-01-21510

U-BOLT

34

01580-11008

NUT

35

01643-31032

WASHER

36

6138-82-5561

SENSOR

36

6138-82-5560

SENSOR

37

08053-01512

CLIP

38

20Y-01-21621

WIRING HARNESS

39

6138-12-5570

TUBE

40

07288-20645

HOSE

41

07285-00100

CLIP

42

6138-82-5550

SENSOR

43

20Y-01-21551

BRACKET

44

01010-80816

BOLT

45

01643-30823

WASHER

46

01010-81245

BOLT

47

01643-31232

WASHER

48

20Y-01-21611

WIRING HARNESS

49

08053-01512

CLIP

50

20Y-01-21581

WIRING HARNESS

51

20Y-01-21591

WIRING HARNESS

52

08034-00519

BAND

Выбрано товаров: 54