Качественные детали и логистика
Оригинальные и аналоговые запчасти с доставкой по России, Казахстану и Беларуси
©2022 PartSell ООО "Система" ИНН 2463123282 ОГРН 1212400004838
Центральный офис: г. Красноярск, Академика Киренского, д.87, пом.4
Телефон: 8 (800) 777-65-74 Email: zakaz@partsell.ru
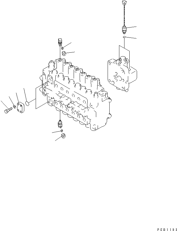
ОСНОВН. КЛАПАН (ДАТЧИК) ( АКТУАТОР) (P/R/V LESS)
№
Артикул
Название
Примечание
Количество
1
7861-92-1610
SENSOR
2
07002-11823
O-RING
3
207-62-56190
FLANGE
4
21T-09-11470
5
07372-21040
BOLT
6
01643-51032
WASHER
7
07222-00210
PLUG
07222-00312
8
07221-20210
NUT
07221-20315
Выбрано товаров: 0