Запчасти Komatsu PC210-6 КОНДИЦ. ВОЗДУХА (БЛОК)(№9-) КАБИНА ОПЕРАТОРА И СИСТЕМА УПРАВЛЕНИЯ

Схема запчастей Komatsu PC210-6 - КОНДИЦ. ВОЗДУХА (БЛОК)(№9-) КАБИНА ОПЕРАТОРА И СИСТЕМА УПРАВЛЕНИЯ
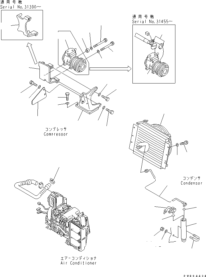
1
2
3
4
5
6
7
8
9
10
11
12
13
13
14
15
16
17
17
18
18
19
19
20
21
22
23
24
25
26
27
28
FIT
1:1
100%

Артикул

Название

Примечание

Количество

1

07281-00419

CLAMP

2

20Y-979-2122

CONDENSER ASS'Y

3

20Y-979-3120

TANK

4

20Y-979-2354

TUBE

5

20Y-979-3140

O-RING

6

20Y-979-3240

TUBE

7

20Y-979-3150

O-RING

8

01010-81025

BOLT

9

01643-31032

WASHER

10

07283-26155

CLIP

11

01599-01011

NUT

12

01643-31032

WASHER

13

20Y-979-3111

AIR COMPRESSOR ASS'Y

|13

20Y-979-3110

AIR COMPRESSOR ASS'Y

14

20Y-979-3411

BRACKET

15

01010-81035

BOLT

16

01643-31032

WASHER

17

20Y-979-3422

BRACKET

|17

20Y-979-3421

BRACKET

18

01010-81435

BOLT

19

01643-31445

WASHER

20

01010-80885

BOLT

21

01643-30823

WASHER

22

01010-80895

BOLT

23

01643-30823

WASHER

24

6204-81-6740

SPACER

25

20Y-03-21680

PLATE

26

01010-81025

BOLT

27

01643-31032

WASHER

28

08034-00519

BAND

Выбрано товаров: 0