Запчасти Komatsu PC210-6D НАВЕСНОЕ ОБОРУД-Е ( АКТУАТОР) (НАВЕСНОЕ ОБОРУД-Е КОРПУС) (БЕЗ СТОПОРН. КЛАПАН)(№-) ГИДРАВЛИКА

Схема запчастей Komatsu PC210-6D - НАВЕСНОЕ ОБОРУД-Е ( АКТУАТОР) (НАВЕСНОЕ ОБОРУД-Е КОРПУС) (БЕЗ СТОПОРН. КЛАПАН)(№-) ГИДРАВЛИКА
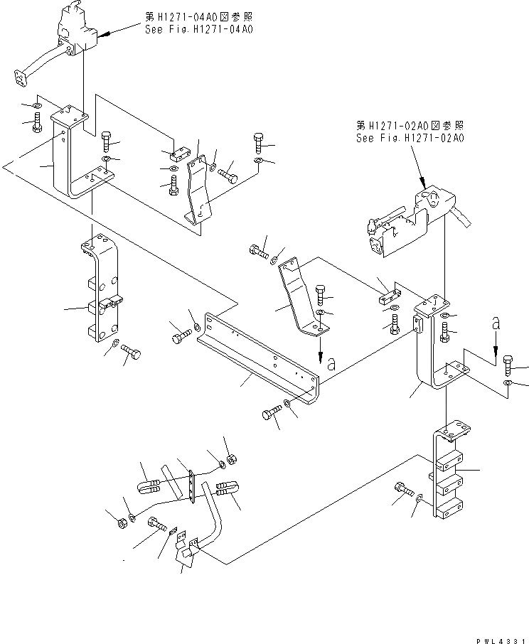
1
2
3
4
5
6
7
7
8
8
9
9
10
10
11
12
13
14
15
16
17
18
19
20
20
21
21
22
22
23
23
24
24
24
24
25
26
27
28
29
30
31
31
32
32
33
33
FIT
1:1
100%

Артикул

Название

Примечание

Количество

1

206-62-65112

BRACKET

2

01010-81275

BOLT

3

01643-31232

WASHER

4

20Y-62-13651

CLAMP

5

01010-81230

BOLT

6

20Y-62-13450

PLATE

7

01010-81660

BOLT

8

01643-31645

WASHER

9

01010-81240

BOLT

10

01643-31232

WASHER

11

206-62-65112

BRACKET

12

01010-81275

BOLT

13

01643-31232

WASHER

14

20Y-62-25183

BRACKET

15

20Y-62-25192

BRACKET

16

20Y-62-25950

BRACKET

17

20Y-62-25960

BRACKET

18

20Y-62-25970

PLATE

19

20Y-62-25980

PLATE

20

01010-81670

BOLT

21

01643-31645

WASHER

22

01010-81230

BOLT

23

01010-81260

BOLT

24

01643-31232

WASHER

25

20Y-62-25232

BRACKET

26

01010-81655

BOLT

27

01643-31645

WASHER

28

01010-81640

BOLT

29

01643-31645

WASHER

30

20Y-62-25840

BRACKET

31

07283-32738

CLIP

32

01599-01011

NUT

33

01643-31032

WASHER

Выбрано товаров: 33