Запчасти Komatsu PC210-6G ОСНОВН. КЛАПАН (-АКТУАТОР) (8/)(№-9) ОСНОВН. КОМПОНЕНТЫ И РЕМКОМПЛЕКТЫ

Схема запчастей Komatsu PC210-6G - ОСНОВН. КЛАПАН (-АКТУАТОР) (8/)(№-9) ОСНОВН. КОМПОНЕНТЫ И РЕМКОМПЛЕКТЫ
FIT
1:1
100%

Артикул

Название

Примечание

Количество

|1

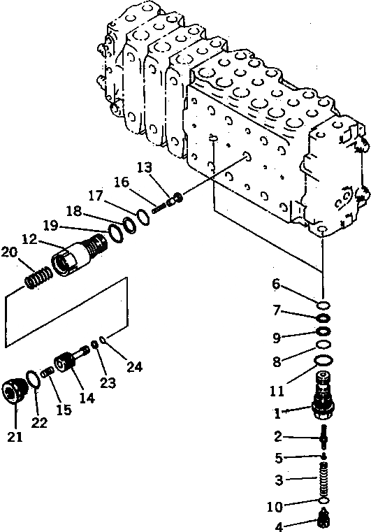
723-49-12101

VALVE ASS'Y

|1

723-40-56302

VALVE ASS'Y,UNLOAD

1

SLEEVE

2

VALVE

3

SPRING

4

PLUG

5

PLUG

6

07000-12014

O-RING

7

723-40-56350

RING

8

07000-12016

O-RING

9

723-60-22230

RING,BACK-UP

10

O-RING

11

07002-12434

O-RING

|12

723-40-60101

VALVE ASS'Y

12

SLEEVE

13

VALVE

14

PISTON

15

PISTON

16

SPRING

17

07000-12020

O-RING

18

07001-02020

RING

19

709-25-11390

O-RING

20

SPRING

21

PLUG

22

O-RING

23

SEAL

24

O-RING

Выбрано товаров: 27