Запчасти Komatsu PC210-6G ОСНОВН. КЛАПАН (КЛАПАН) (С СЕРВИСНЫЙ КЛАПАН)(№9-98) ГИДРАВЛИКА

Схема запчастей Komatsu PC210-6G - ОСНОВН. КЛАПАН (КЛАПАН) (С СЕРВИСНЫЙ КЛАПАН)(№9-98) ГИДРАВЛИКА
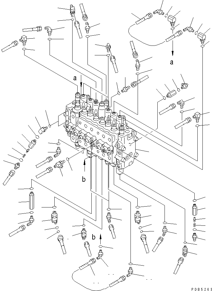
1
2
2
3
3
4
4
5
5
5
5
5
5
5
5
6
7
7
7
7
7
7
7
7
7
7
7
8
8
9
9
10
11
12
13
14
15
16
17
18
19
20
21
22
22
23
23
24
25
26
27
28
29
30
31
32
33
34
35
36
37
38
38
39
39
39
39
40
40
41
41
41
41
41
41
FIT
1:1
100%

Артикул

Название

Примечание

Количество

1

723-47-13203

VALVE ASS'Y

|1

723-47-13202

VALVE ASS'Y

|1

723-47-13201

VALVE ASS'Y

2

20Y-62-22271

ELBOW

3

201-60-11390

O-RING

4

20Y-62-19560

O-RING

5

07235-10210

ELBOW

6

208-26-11611

TEE

7

07002-11423

O-RING

8

208-62-17550

TEE

9

07002-11423

O-RING

10

20Y-62-27680

ADAPTER

11

07002-11423

O-RING

12

07235-10210

ELBOW

13

07002-11423

O-RING

14

20Y-62-23541

ELBOW

15

07002-11423

O-RING

|16

20Y-60-22261

VALVE ASS'Y

16

BODY

17

20Y-60-22270

POPPET

18

701-20-61230

SPRING

19

07230-20210

UNION

20

07002-11423

O-RING

21

07002-11423

O-RING

22

205-62-74190

ELBOW

23

07002-11223

O-RING

24

07230-20210

UNION

25

07002-11423

O-RING

26

208-62-17550

TEE

27

07002-11423

O-RING

|28

20Y-60-22261

VALVE ASS'Y

28

BODY

29

20Y-60-22270

POPPET

30

701-20-61230

SPRING

31

07230-20210

UNION

32

07002-11423

O-RING

33

07002-11423

O-RING

34

20Y-62-22160

ADAPTER

35

07002-11423

O-RING

36

07235-10210

ELBOW

37

07002-11423

O-RING

38

07096-00204

HOSE

39

07235-10210

ELBOW

40

20F-61-12460

ELBOW

41

07002-11423

O-RING

Выбрано товаров: 45