Запчасти Komatsu PC210-7-CA ОХЛАЖД-Е (ТРУБЫ¤ ВТОРИЧН. БАК И КРЕПЛЕНИЕ РАДИАТОРА) (С КОНДИЦИОНЕРОМ)(№-) СИСТЕМА ОХЛАЖДЕНИЯ

Схема запчастей Komatsu PC210-7-CA - ОХЛАЖД-Е (ТРУБЫ¤ ВТОРИЧН. БАК И КРЕПЛЕНИЕ РАДИАТОРА) (С КОНДИЦИОНЕРОМ)(№-) СИСТЕМА ОХЛАЖДЕНИЯ
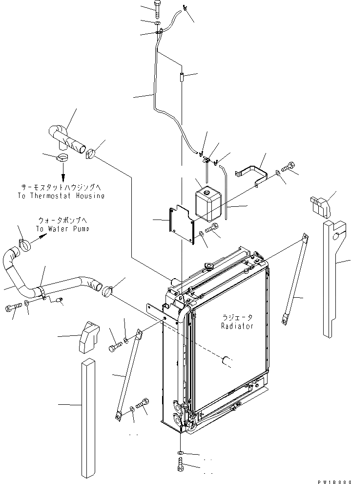
1
2
3
4
5
6
7
8
9
10
11
12
12
13
14
15
16
17
18
19
20
21
22
23
24
25
26
27
28
29
30
31
31
32
33
34
35
36
37
FIT
1:1
100%

Артикул

Название

Примечание

Количество

1

175-61-17240

COLLAR

2

04434-51210

CLIP

3

01010-81090

BOLT

4

01643-31032

WASHER

5

20Y-03-31470

HOSE

6

206-03-43340

CLIP

7

20Y-03-31332

SEAL

|7

20Y-03-31331

SEAL

8

20Y-03-31321

SEAL

9

20Y-03-31450

SHEET

10

20Y-03-31460

SHEET

11

20Y-03-31221

HOSE

|11

20Y-03-31220

HOSE

12

07289-00055

CLAMP

13

20Y-03-31230

HOSE

14

07289-00055

CLAMP

15

07289-00070

CLAMP

16

208-62-38370

CLIP

17

01010-81055

BOLT

18

01643-31032

WASHER

19

22D-62-18450

SPACER

20

20Y-06-15240

TANK ASS'Y

21

205-03-71532

CAP

|21

205-03-71540

PACKING

22

208-03-58290

HOSE

|22

208-03-58310

HOSE

23

206-03-43340

CLIP

24

20Y-03-31341

BRACKET

25

203-03-56650

BRACKET

26

01010-80820

BOLT

27

01643-30823

WASHER

28

206-03-43340

CLIP

29

01010-81225

BOLT

30

01643-31232

WASHER

31

20Y-03-31210

STAY

32

01010-81635

BOLT

33

01643-31645

WASHER

34

01010-81635

BOLT

35

21T-54-16150

WASHER

36

01016-51250

BOLT

37

01643-31232

WASHER

Выбрано товаров: 41