Качественные детали и логистика
Оригинальные и аналоговые запчасти с доставкой по России, Казахстану и Беларуси
©2022 PartSell ООО "Система" ИНН 2463123282 ОГРН 1212400004838
Центральный офис: г. Красноярск, Академика Киренского, д.87, пом.4
Телефон: 8 (800) 777-65-74 Email: zakaz@partsell.ru
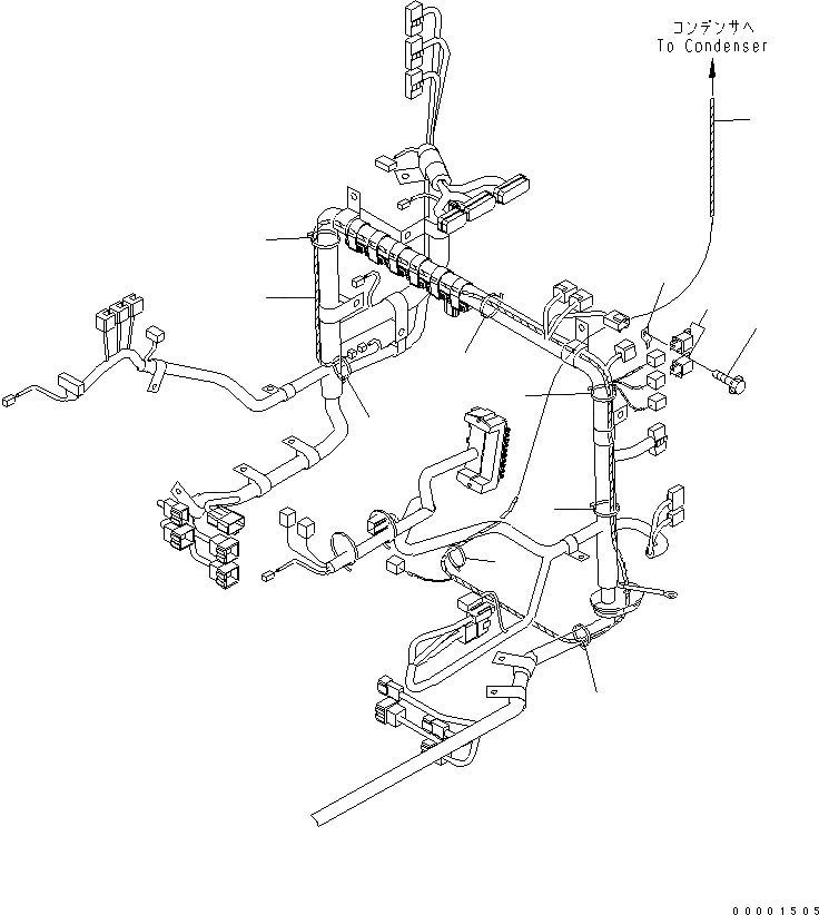
ПОЛ FRANE (ЭЛЕКТР.) (DUST ЗАЩИТА СПЕЦ-Я.)
№
Артикул
Название
Примечание
Количество
1
20Y-979-7170
WIRING HARNESS
2
421-07-31270
RELAY
3
08053-01510
CLIP
4
01435-00612
BOLT
5
08034-20519
BAND
6
08034-20414
7
Выбрано товаров: 0