Качественные детали и логистика
Оригинальные и аналоговые запчасти с доставкой по России, Казахстану и Беларуси
©2022 PartSell ООО "Система" ИНН 2463123282 ОГРН 1212400004838
Центральный офис: г. Красноярск, Академика Киренского, д.87, пом.4
Телефон: 8 (800) 777-65-74 Email: zakaz@partsell.ru
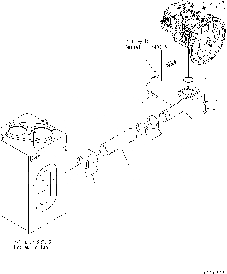
ВСАСЫВ. ЛИНИЯ
№
Артикул
Название
Примечание
Количество
1
20Y-62-48321
TUBE
2
07000-12100
O-RING
3
01010-81235
BOLT
4
01643-31232
WASHER
5
07260-08732
HOSE
6
07289-00105
CLAMP
7
7861-93-3320
SENSOR
8
08034-20414
BAND
Выбрано товаров: 0