Качественные детали и логистика
Оригинальные и аналоговые запчасти с доставкой по России, Казахстану и Беларуси
©2022 PartSell ООО "Система" ИНН 2463123282 ОГРН 1212400004838
Центральный офис: г. Красноярск, Академика Киренского, д.87, пом.4
Телефон: 8 (800) 777-65-74 Email: zakaz@partsell.ru
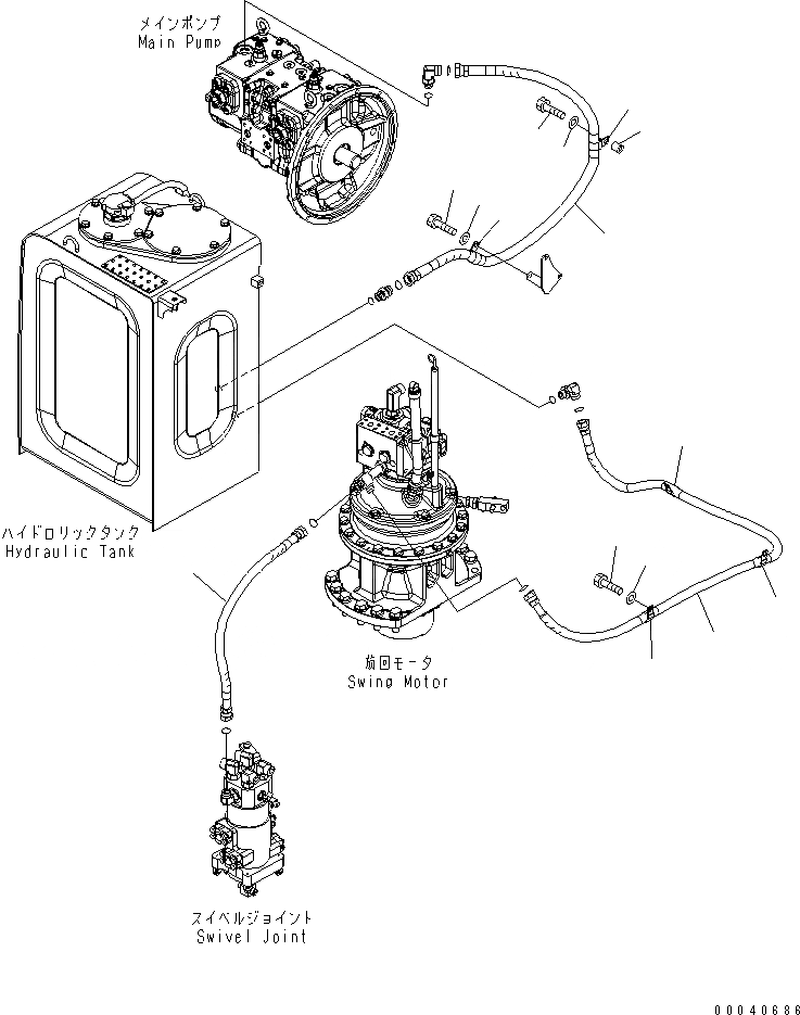
ВОЗВРАТН. ЛИНИЯ
№
Артикул
Название
Примечание
Количество
1
02762-00508
HOSE
2
20Y-62-42471
HOSE, 2200MM
3
04434-52312
CLIP
4
01010-81225
BOLT
5
01643-31232
WASHER
6
20Y-62-58161
|6
08034-20823
BAND
7
04434-52712
8
9
10
01010-81250
11
12
195-33-11220
SPACER
Выбрано товаров: 0