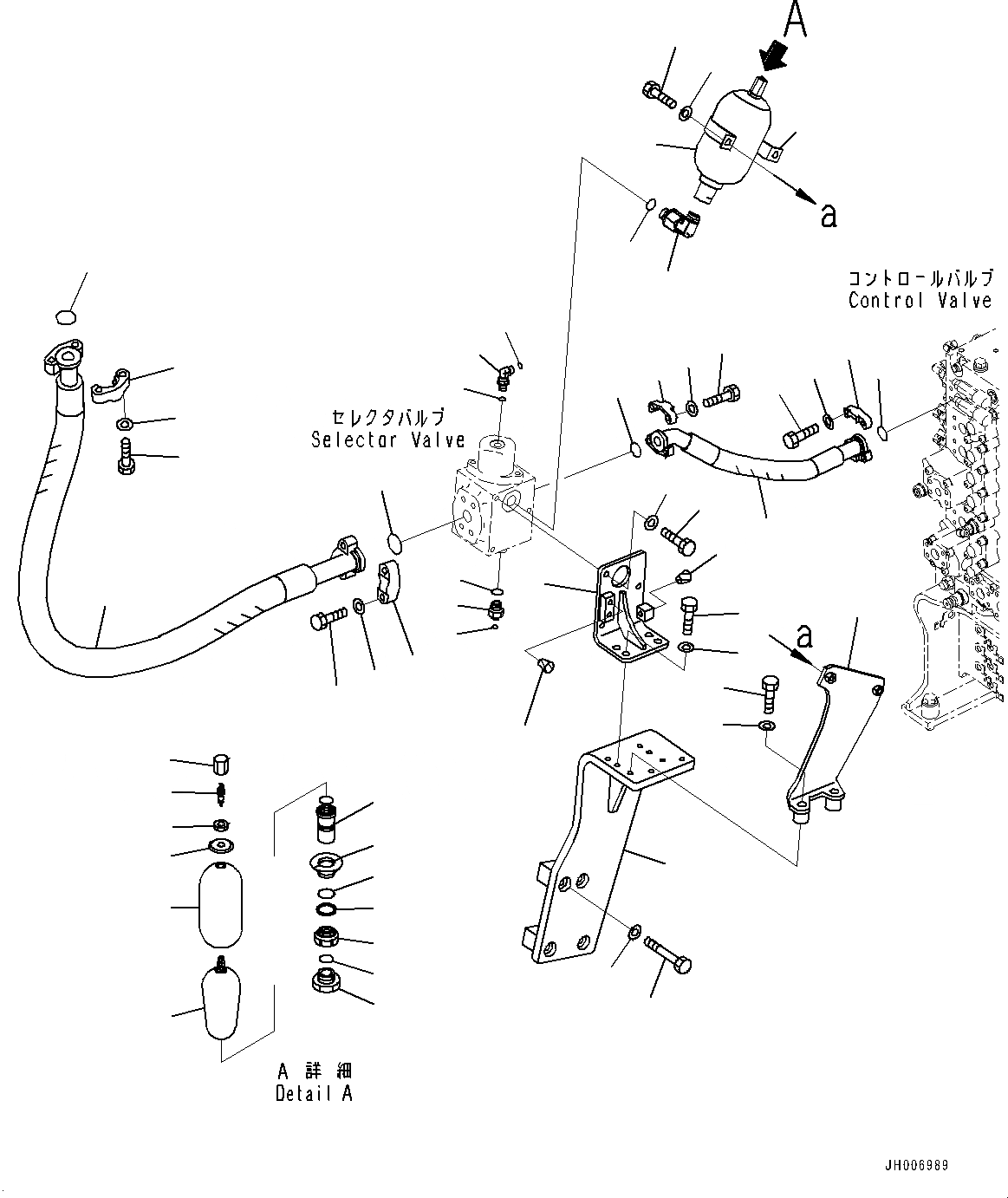
Запчасти Komatsu PC210LC-10 НАВЕСН. ОБОРУД ТРУБЫ, ОСНОВН. ТРУБЫ, ПРАВ. (№-) НАВЕСН. ОБОРУД ТРУБЫ, -ДОПОЛН. АКТУАТОР ТРУБЫ, АККУМУЛЯТОР

Схема запчастей Komatsu PC210LC-10 - НАВЕСН. ОБОРУД ТРУБЫ, ОСНОВН. ТРУБЫ, ПРАВ. (№-) НАВЕСН. ОБОРУД ТРУБЫ, -ДОПОЛН. АКТУАТОР ТРУБЫ, АККУМУЛЯТОР
48
51
52
50
49
49
12
13
11
15
14
16
19
17
18
34
33
9
10
8
44
2
1
43
46
47
45
44
38
40
39
35
37
36
5
4
3
7
41
42
6
20
32
31
30
29
28
27
26
25
24
23
22
21
20
6
FIT
1:1
100%

Артикул

Название

Примечание

Количество

1

01010-81030

Bolt

2

01643-31032

Washer

3

2A5-62-12760

Bracket

4

01010-81230

Bolt

5

01643-31232

Washer

6

07049-01215

Plug

7

2A5-62-12671

Bracket

8

07371-31049

Flange, Split

9

07372-21035

Bolt

10

01643-51032

Washer

11

07371-51260

Flange, Split

12

01010-81245

Bolt

13

01643-31232

Washer

14

20Y-62-43460

Nipple

15

02896-11008

O-ring

16

07002-12034

O-ring

17

11Y-62-12160

Elbow

18

02896-11008

O-ring

19

07002-11423

O-ring

|$19

20Y-970-6450

Accumulator Assembly

20

Shell

20

NFEB3401 A1

Bleeder Assembly

21

NFEB3026 A1

Bleeder

22

NFEB4475 Z0

Core

23

Nut

24

Cap

25

NFEB0427 Z0

Body Assembly

26

NFEB4477 Z0

Ring

27

O-ring

28

Ring, Back-up

29

Ring

30

Plate

31

205-970-5560

O-ring

32

Bushing

33

20Y-62-43290

Elbow

34

07002-12434

O-ring

35

2A5-62-12681

Bracket

36

01010-81260

Bolt

37

01643-31232

Washer

38

175-61-51750

Plate

39

01010-81230

Bolt

40

01643-31232

Washer

41

01010-81280

Bolt

42

01643-31232

Washer

43

07097-01005

Hose, Flange Type

44

07000-13032

O-ring

45

07371-31049

Flange, Split

46

07372-21035

Bolt

47

01643-51032

Washer

48

07099-21216

Hose, Flange Type

49

07000-13038

O-ring

50

07371-51260

Flange, Split

51

01010-81245

Bolt

52

01643-31232

Washer

Выбрано товаров: 0