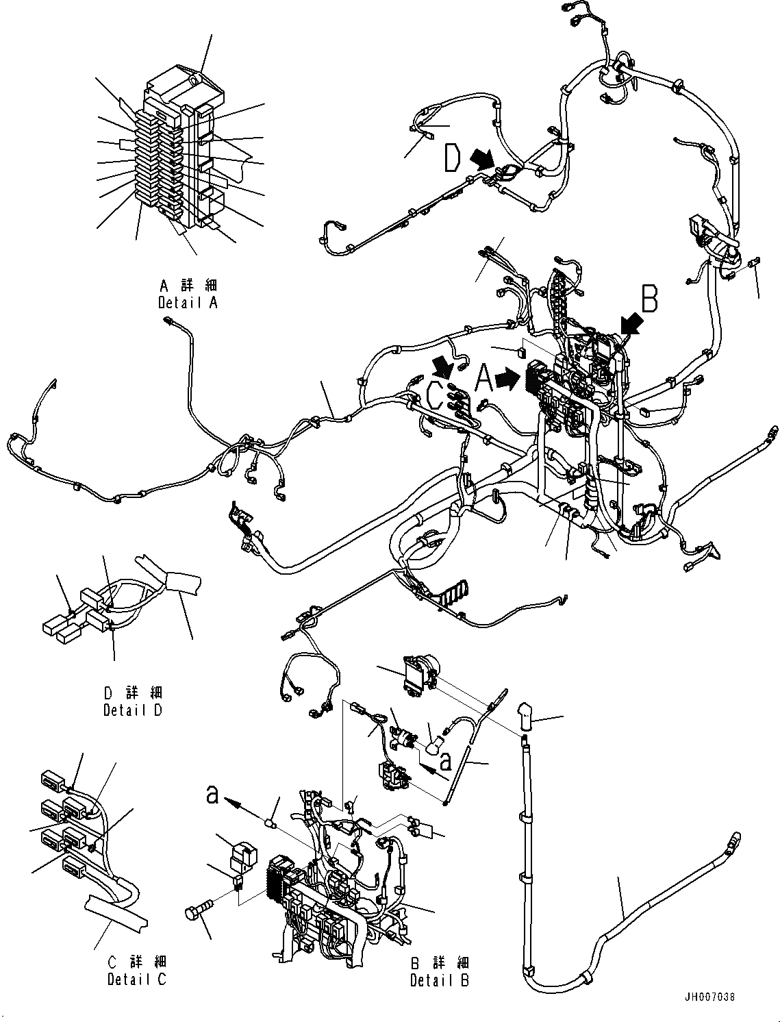
Запчасти Komatsu PC210LC-10 КАБИНА, ПОЛ, ПРОВОДКА (№-) КАБИНА, С МЕХАНИЧ. ПОДВЕСКА СИДЕНЬЕ ОПЕРАТОРА

Схема запчастей Komatsu PC210LC-10 - КАБИНА, ПОЛ, ПРОВОДКА (№-) КАБИНА, С МЕХАНИЧ. ПОДВЕСКА СИДЕНЬЕ ОПЕРАТОРА
7
14
17
16
15
17
16
8
11
1
3
2
5
4
3
2
5
3
2
5
2
3
2
3
4
26
18
24
29
27
19
20
23
22
25
24
21
1
28
6
10
12
1
13
12
8
1
10
9
8
11
9
1
FIT
1:1
100%

Артикул

Название

Примечание

Количество

1

2A5-06-15322

Wiring Harness

1

2A5-06-15321

Wiring Harness

2

08041-00500

Fuse, 5Amp.

3

08041-01000

Fuse, 10Amp.

4

08041-02000

Fuse, 20Amp.

5

08041-03000

Fuse, 30Amp.

6

19M-06-31720

Resistor

7

20Y-06-31660

Fusible Link, 30Amp.

8

20Y-62-22790

Band, Red

9

20Y-62-22810

Band, Yellow

10

20Y-62-22820

Band, Blue

11

20Y-62-22830

Band, White

12

20Y-62-22850

Band, Green

13

20Y-62-22860

Band, Brown

14

22U-06-11270

Fusible Link, 65Amp.

15

HM6400-0012

F-Connector, Black

15

HM6409-0071

M-Connector, Black

16

HM6440-0129

F-Connector, Pink

16

HM6440-0128

M-Connector, Pink

17

HM6400-0016

F-Connector, Orange

17

HM6409-0075

M-Connector, Orange

18

2A5-06-11162

Cable

19

22L-06-21250

Cap

20

08088-30000

Switch, Battery Relay

21

08038-00519

Cap, Terminal

22

08038-04030

Cap, Terminal

23

600-815-2170

Switch, Heater

24

08038-00519

Cap, Terminal

25

600-815-8951

Relay

26

2A5-06-15191

Cable

26

2A5-06-15190

Cable

27

421-06-22880

Holder

28

421-06-22990

Bolt

29

421-06-22820

Fuse, 80Amp.

Выбрано товаров: 34