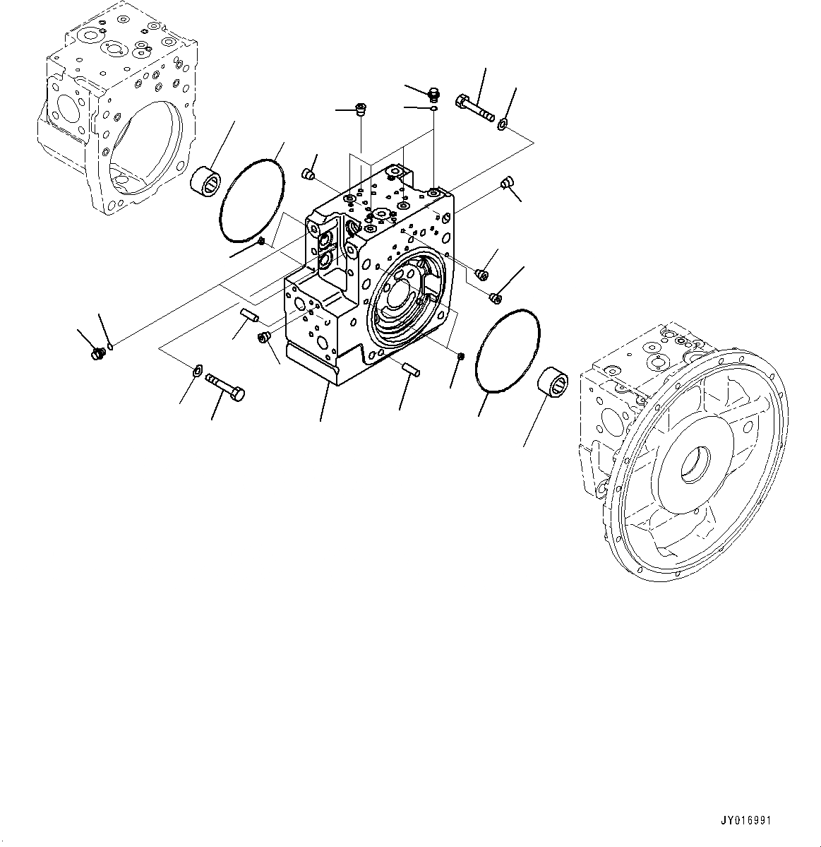
Запчасти Komatsu PC210LC-10 ОСНОВН. ПОРШЕНЬ НАСОС, ВНУТР. ЧАСТИ (/) ОСНОВН. ПОРШЕНЬ НАСОС

Схема запчастей Komatsu PC210LC-10 - ОСНОВН. ПОРШЕНЬ НАСОС, ВНУТР. ЧАСТИ (/) ОСНОВН. ПОРШЕНЬ НАСОС
9
8
3
10
4
2
5
4
5
2
6
6
11
1
7
7
3
8
9
11
10
2
2
FIT
1:1
100%

Артикул

Название

Примечание

Количество

|$0

708-2G-00320

Pump Assembly

|$1

708-2G-01320

Pump Subassembly

|$2

708-2G-04630

Cap Assembly, End

3

708-1L-29340

Orifice

4

708-2L-42150

Bearing

5

07000-A5190

O-Ring

6

04020-01228

Pin, Dowel

7

708-2L-25480

Filter

8

01010-61660

Bolt

9

01643-31645

Washer

10

708-8E-16150

Plug

11

07002-61023

O-Ring

Выбрано товаров: 0