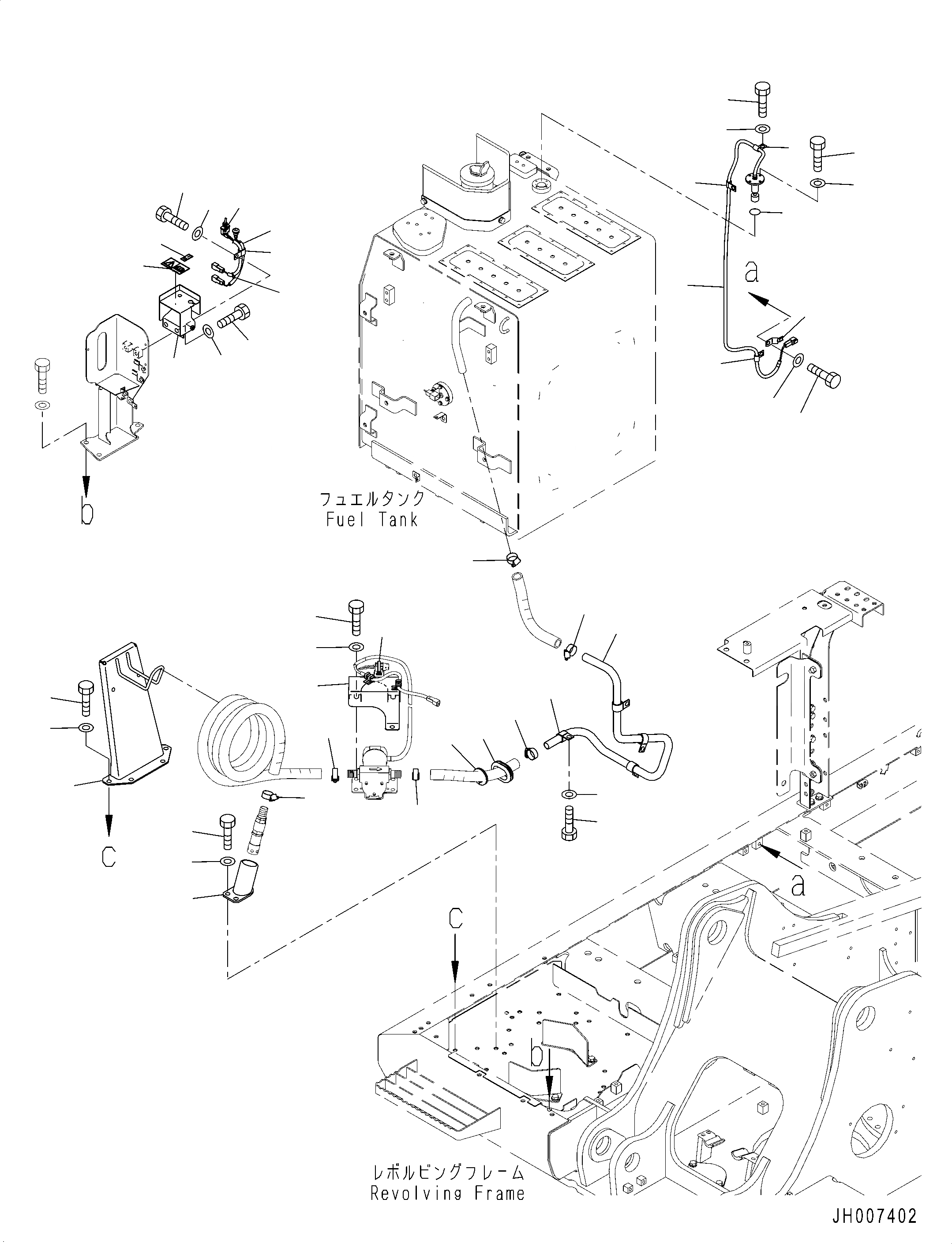
Запчасти Komatsu PC210LC-10 НАСОС АВТОМАТИЧ. ЗАПРАВКИ ТОПЛИВА, НАСОС КОМПОНЕНТЫ НАСОС АВТОМАТИЧ. ЗАПРАВКИ ТОПЛИВА

Схема запчастей Komatsu PC210LC-10 - НАСОС АВТОМАТИЧ. ЗАПРАВКИ ТОПЛИВА, НАСОС КОМПОНЕНТЫ НАСОС АВТОМАТИЧ. ЗАПРАВКИ ТОПЛИВА
15
3
10
4
5
3
14
5
4
2
12
16
13
17
1
11
6
18
5
19
9
8
7
25
25
21
26
24
22
27
20
33
25
23
31
34
30
32
29
23
23
28
36
37
35
FIT
1:1
100%

Артикул

Название

Примечание

Количество

1

20Y-04-K3081

Swich Assembly

2

07000-13032

O-Ring

3

01010-80616

Bolt

4

01643-30623

Washer

5

04434-51012

Clip

6

08193-21012

Clip

7

01010-81225

Bolt

8

01643-31232

Washer

|$8

206-06-31270

Box Assembly, Switch

9

206-06-11120

Bracket

10

206-06-31250

Wiring Harness

11

20Y-62-22790

Band, Red

12

206-06-31260

Wiring Harness

13

04435-51008

Clip

14

01010-80816

Bolt

15

01643-30823

Washer

16

20Y-00-K2040

Plate

17

09651-A0841

Plate, Warning, Read Manual Before Operating

18

01010-81220

Bolt

19

01643-31232

Washer

20

206-04-31261

Bracket

21

01010-81230

Bolt

22

01643-31232

Washer

23

07289-00035

Clamp

24

08059-00515

Clip

25

07289-00035

Clamp

26

2A5-04-13111

Tube

27

04434-52512

Clip

28

01010-81220

Bolt

29

01643-31232

Washer

30

23S-54-24590

Grommet

31

203-06-41550

Grommet

32

206-04-31232

Bracket

33

01010-81230

Bolt

34

01643-31232

Washer

35

206-04-31241

Bracket

36

01010-81230

Bolt

37

01643-31232

Washer

Выбрано товаров: 38