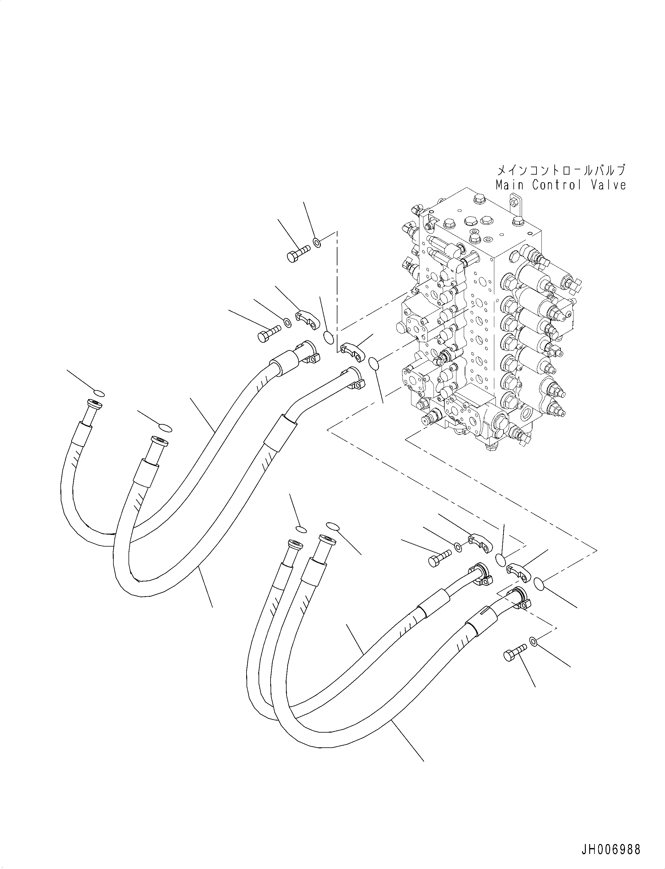
Запчасти Komatsu PC210LC-10 РУКОЯТЬ И КОВШ ТРУБЫ РУКОЯТЬ И КОВШ ТРУБЫ

Схема запчастей Komatsu PC210LC-10 - РУКОЯТЬ И КОВШ ТРУБЫ РУКОЯТЬ И КОВШ ТРУБЫ
16
15
20
19
22
21
14
18
17
13
13
7
9
8
11
10
3
2
2
6
12
5
4
1
FIT
1:1
100%

Артикул

Название

Примечание

Количество

1

2A5-62-12791

Hose

2

07000-13032

O-Ring

3

07371-31049

Flange, Split

4

07372-21035

Bolt

5

01643-51032

Washer

6

206-62-32750

Hose

7

07000-13025

O-Ring

8

07000-13032

O-Ring

9

07371-31049

Flange, Split

10

07372-21035

Bolt

11

01643-51032

Washer

12

2A5-62-12821

Hose

13

07000-13032

O-Ring

14

07371-31049

Flange, Split

15

07372-21035

Bolt

16

01643-51032

Washer

17

2A5-62-15380

Hose

18

07000-13025

O-Ring

19

07000-13032

O-Ring

20

07371-31049

Flange, Split

21

07372-21035

Bolt

22

01643-51032

Washer

Выбрано товаров: 0