Запчасти Komatsu PC210LC-10 КАБИНА, ПРАВ. И ЗАДН. ФИКС. ОКНА, -ДОПОЛН. АКТУАТОР ТРУБЫ, АККУМУЛЯТОР, КАБИНА IN ЧАСТИ, ЗАДН. КРЫШКА КАБИНА, ПРАВ. И ЗАДН. ФИКС. ОКНА, -ДОПОЛН. АКТУАТОР ТРУБЫ, АККУМУЛЯТОР

Схема запчастей Komatsu PC210LC-10 - КАБИНА, ПРАВ. И ЗАДН. ФИКС. ОКНА, -ДОПОЛН. АКТУАТОР ТРУБЫ, АККУМУЛЯТОР, КАБИНА IN ЧАСТИ, ЗАДН. КРЫШКА КАБИНА, ПРАВ. И ЗАДН. ФИКС. ОКНА, -ДОПОЛН. АКТУАТОР ТРУБЫ, АККУМУЛЯТОР
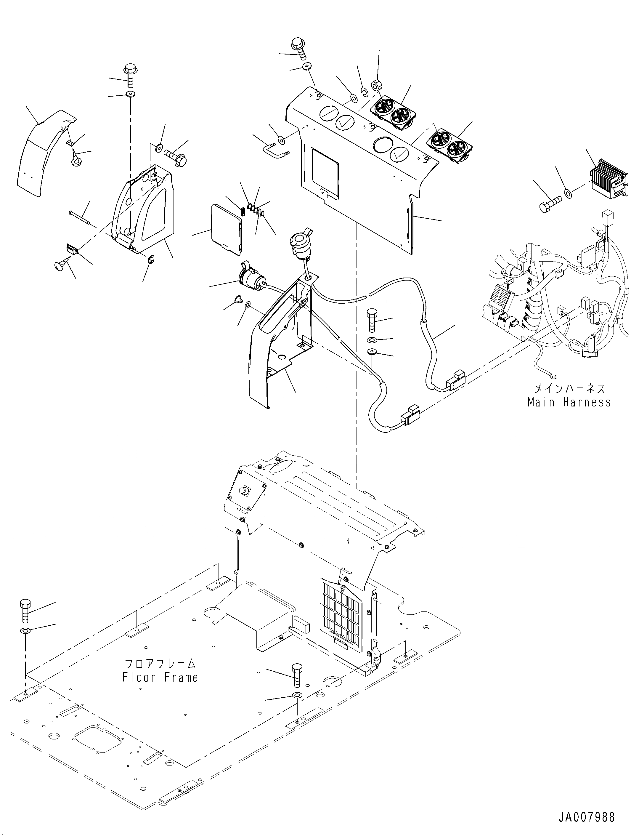
3
10
5
13
29
4
14
15
24
19
25
15
25
4
20
2
24
32
21
34
33
12
11
22
6
1
7
8
9
16
17
18
35
23
27
35
30
31
28
26
36
37
36
37
FIT
1:1
100%

Артикул

Название

Примечание

Количество

1

20Y-53-12371

Cover

2

208-53-12290

Hook

3

01580-10403

Nut

4

01640-20408

Washer, Flat

5

01601-20410

Washer

|$5

2A5-53-11731

Cover Assembly

6

22U-43-22340

Puller

7

2A5-53-11651

Cover

8

08041-00500

Fuse, 5amp

9

08041-01000

Fuse, 10amp

10

08041-02000

Fuse, 20amp

11

08041-02500

Fuse, 25amp

12

08041-03000

Fuse, 30amp

13

01435-80616

Bolt

14

20Y-53-12310

Collar

15

208-979-7560

Grille

16

2A5-53-11680

Cover

17

09452-14503

Catcher

18

01370-10308

Screw

19

2A5-53-11690

Cover

20

208-53-12410

Plate

21

01370-20308

Screw

22

208-53-12320

Pin

23

208-53-12330

Ring

24

01435-80616

Bolt

25

20Y-53-12310

Collar

26

2A5-53-12341

Cover

27

01010-D0620

Bolt

28

01643-70623

Washer

29

20Y-53-12310

Collar

30

23D-950-4450

Button

31

20Y-53-12860

Spacer

32

2A5-06-11881

Converter

33

01252-80520

Bolt

34

01640-50508

Washer, Flat

35

2A5-06-12181

Socket Assembly

36

01010-81240

Bolt

37

01643-31232

Washer

Выбрано товаров: 38