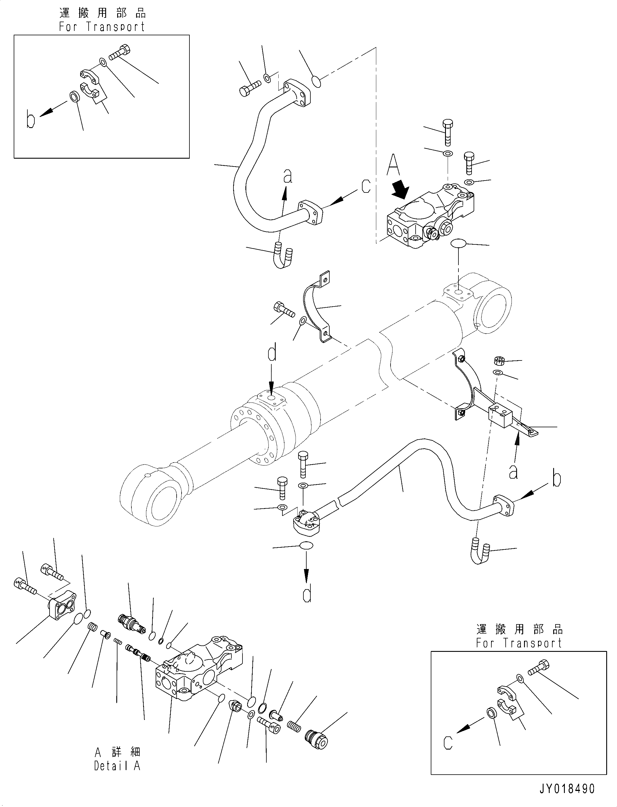
Запчасти Komatsu PC210LC-10 ЦИЛИНДР СТРЕЛЫ, ПРАВ. (/) ЦИЛИНДР СТРЕЛЫ

Схема запчастей Komatsu PC210LC-10 - ЦИЛИНДР СТРЕЛЫ, ПРАВ. (/) ЦИЛИНДР СТРЕЛЫ
43
33
42
34
35
44
27
45
28
40
2
41
37
33
31
34
35
38
39
26
27
28
29
1
30
13
14
10
36
32
22
25
23
24
20
5
21
11
18
9
19
6
12
34
8
35
4
46
3
17
16
47
15
7
FIT
1:1
100%

Артикул

Название

Примечание

Количество

|$0

707-E1-01410

Cylinder Assembly

1

707-86-69280

Tube

2

2A5-62-14740

Tube

|$3

702-21-08390

Valve, Pilot

5

702-21-38510

Case

7

702-21-38430

Flange

8

702-21-38440

Spring

10

702-21-38460

O-Ring

11

702-21-38470

O-Ring

12

702-21-38480

Plug

13

01252-60825

Bolt

14

01252-60835

Bolt

15

01252-60620

Bolt

16

01641-20608

Washer

17

07000-12021

O-Ring

18

702-21-39690

Valve

19

709-75-92220

Spring

20

700-93-11320

O-Ring

21

700-93-11330

Ring, Back-Up

22

723-90-66900

Valve Assembly, Relief

23

700-80-64220

Ring, Back-Up

24

700-22-11410

O-Ring

25

709-25-11390

O-Ring

26

707-88-51640

Bracket

27

07372-21060

Bolt

28

01643-51032

Washer

29

07372-21045

Bolt

30

01643-51032

Washer

31

707-88-21620

Band

32

07000-13030

O-Ring, (Kit : K02)

33

07000-13035

O-Ring, (Kit : K02)

34

07372-21035

Bolt

35

01643-51032

Washer

36

07283-32738

Clip, Pipe

37

07283-33442

Clip, Pipe

38

01597-01009

Nut

39

01643-31032

Washer

40

07372-21050

Bolt

41

01643-51032

Washer

42

07372-21040

Bolt

43

01643-51032

Washer

44

07371-30640

Flange, Split

45

707-88-33030

Cap

46

07371-31049

Flange, Split

47

707-88-33040

Cap

Выбрано товаров: 0