Качественные детали и логистика
Оригинальные и аналоговые запчасти с доставкой по России, Казахстану и Беларуси
©2022 PartSell ООО "Система" ИНН 2463123282 ОГРН 1212400004838
Центральный офис: г. Красноярск, Академика Киренского, д.87, пом.4
Телефон: 8 (800) 777-65-74 Email: zakaz@partsell.ru
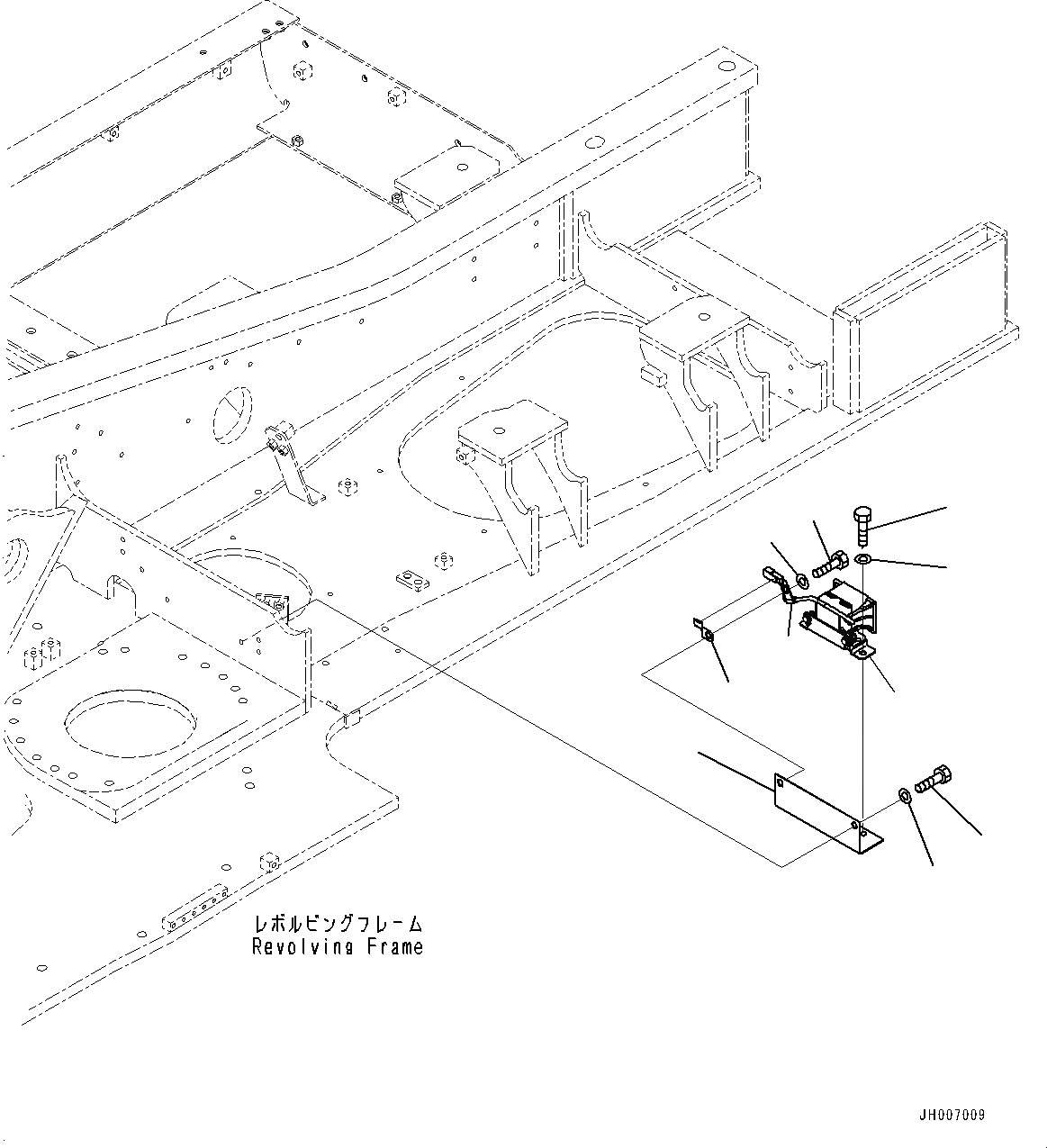
СИГНАЛ ХОДА
№
Артикул
Название
Примечание
Количество
1
20Y-06-41812
Alarm, Back-Up
2
20Y-06-31710
Bracket
3
01010-81020
Bolt
4
01643-31032
Washer
5
01010-81225
6
01643-31232
7
08193-20012
Clip
8
04434-50612
Выбрано товаров: 0