Запчасти Komatsu PC210LC-6 ВОЗВРАТНАЯ ЛИНИЯ(БЛОК) (ПЕРЕКЛЮЧАТЕЛЬ КЛАПАН)(№-) ГИДРАВЛИКА

Схема запчастей Komatsu PC210LC-6 - ВОЗВРАТНАЯ ЛИНИЯ(БЛОК) (ПЕРЕКЛЮЧАТЕЛЬ КЛАПАН)(№-) ГИДРАВЛИКА
FIT
1:1
100%

Артикул

Название

Примечание

Количество

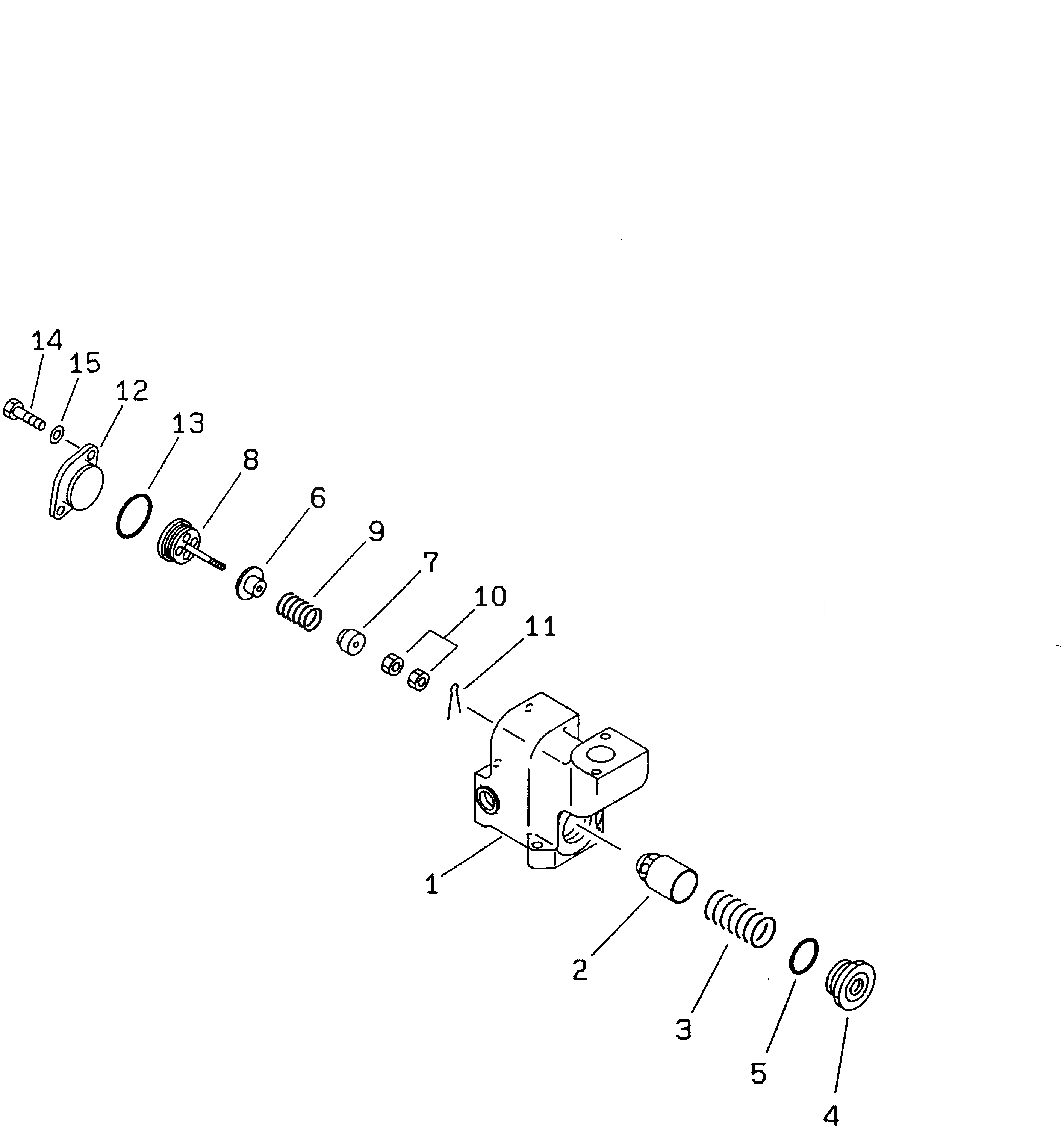
1

20Y-62-21572

BLOCK

2

20Y-60-22330

POPPET

3

20Y-60-11530

SPRING

4

20Y-60-22180

PLUG

5

07002-05234

O-RING

|6

20Y-60-22282

VALVE ASS'Y

6

205-60-71290

COLLAR

7

20Y-60-22311

COLLAR

8

20Y-60-22320

HOLDER

9

205-60-51360

SPRING

10

01580-00806

NUT

11

04050-02015

PIN

12

20Y-62-21660

COVER

13

07000-02055

O-RING

14

01010-81230

BOLT

|14

01010-51230

BOLT

15

01643-31232

WASHER

Выбрано товаров: 17