Качественные детали и логистика
Оригинальные и аналоговые запчасти с доставкой по России, Казахстану и Беларуси
©2022 PartSell ООО "Система" ИНН 2463123282 ОГРН 1212400004838
Центральный офис: г. Красноярск, Академика Киренского, д.87, пом.4
Телефон: 8 (800) 777-65-74 Email: zakaz@partsell.ru
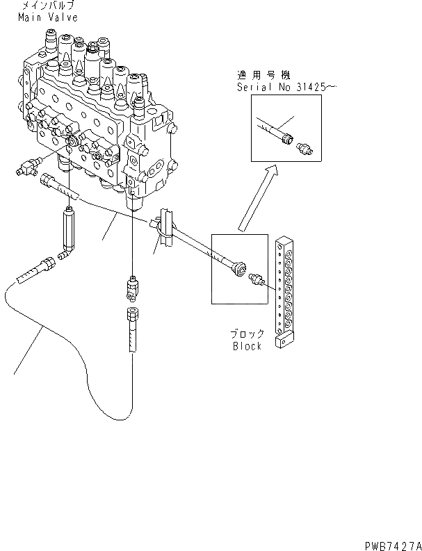
ОСНОВН. ЛИНИЯ PPC (ШЛАНГИ¤ ОСНОВН. КЛАПАН PPC)(№99-)
№
Артикул
Название
Примечание
Количество
1
203-62-63281
HOSE¤ 300MM
|1
203-62-63280
2
203-62-52330
HOSE¤ 600MM
3
08034-00519
BAND
Выбрано товаров: 0