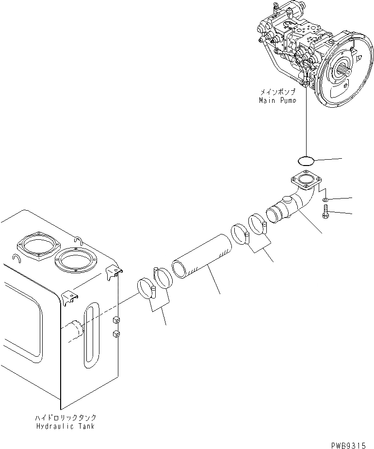
Запчасти Komatsu PC210LC-6K ВСАСЫВ. ЛИНИЯ(№K-) ГИДРАВЛИКА

Схема запчастей Komatsu PC210LC-6K - ВСАСЫВ. ЛИНИЯ(№K-) ГИДРАВЛИКА
1
2
2
3
4
5
6
FIT
1:1
100%

Артикул

Название

Примечание

Количество

1

07260-08732

HOSE

|1

07260-28736

HOSE

2

07289-00105

CLAMP

3

20Y-62-27651SG

ELBOW

|3

20Y-62-27651

ELBOW

|3

20Y-62-27650

ELBOW

4

07000-02085

O-RING

5

01010-81235

BOLT

6

01643-31232

WASHER

Выбрано товаров: 9