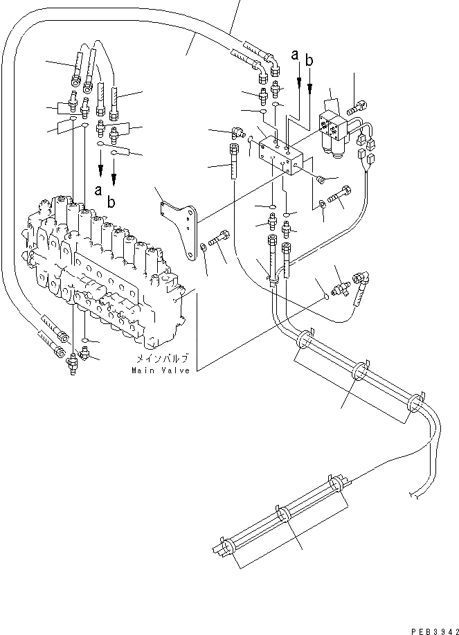
Запчасти Komatsu PC210LC-6K СТРЕЛА УПРАВЛ-Е ЛИНИЯ (2-СЕКЦИОНН. СТРЕЛА)(№K-K89) ГИДРАВЛИКА

Схема запчастей Komatsu PC210LC-6K - СТРЕЛА УПРАВЛ-Е ЛИНИЯ (2-СЕКЦИОНН. СТРЕЛА)(№K-K89) ГИДРАВЛИКА
1
2
3
4
5
6
6
6
6
6
7
7
7
7
7
7
8
9
10
11
11
12
12
12
13
14
15
16
17
17
18
18
19
19
20
FIT
1:1
100%

Артикул

Название

Примечание

Количество

|1

20G-60-K1200

SOLENOID VALVE ASS'Y,DOUBLE

1

20G-60-K1281

MANIFOLD

2

07043-00108

PLUG

3

20G-60-K1440

VALVE,SOLENOID

4

01252-40530

BOLT

5

07235-10210

ELBOW

6

07230-20210

UNION

7

07002-01423

O-RING

8

20Y-62-K3860

BRACKET

9

01010-81070

BOLT

10

01642-21016

WASHER

11

20E-62-K4930

HOSE

12

20Y-62-K3321

HOSE

13

208-62-17550

TEE

14

07002-11423

O-RING

15

01010-51660

BOLT

16

01643-31645

WASHER

17

07235-50210

ELBOW

18

07002-11423

O-RING

19

08034-00536

BAND

20

08034-00536

BAND

Выбрано товаров: 21