Запчасти Komatsu PC210LC-6K ЛИНИЯ РАБОЧЕГО ОБОРУД. PPC ( АКТУАТОР) (/)(№K-) КАБИНА ОПЕРАТОРА И СИСТЕМА УПРАВЛЕНИЯ

Схема запчастей Komatsu PC210LC-6K - ЛИНИЯ РАБОЧЕГО ОБОРУД. PPC ( АКТУАТОР) (/)(№K-) КАБИНА ОПЕРАТОРА И СИСТЕМА УПРАВЛЕНИЯ
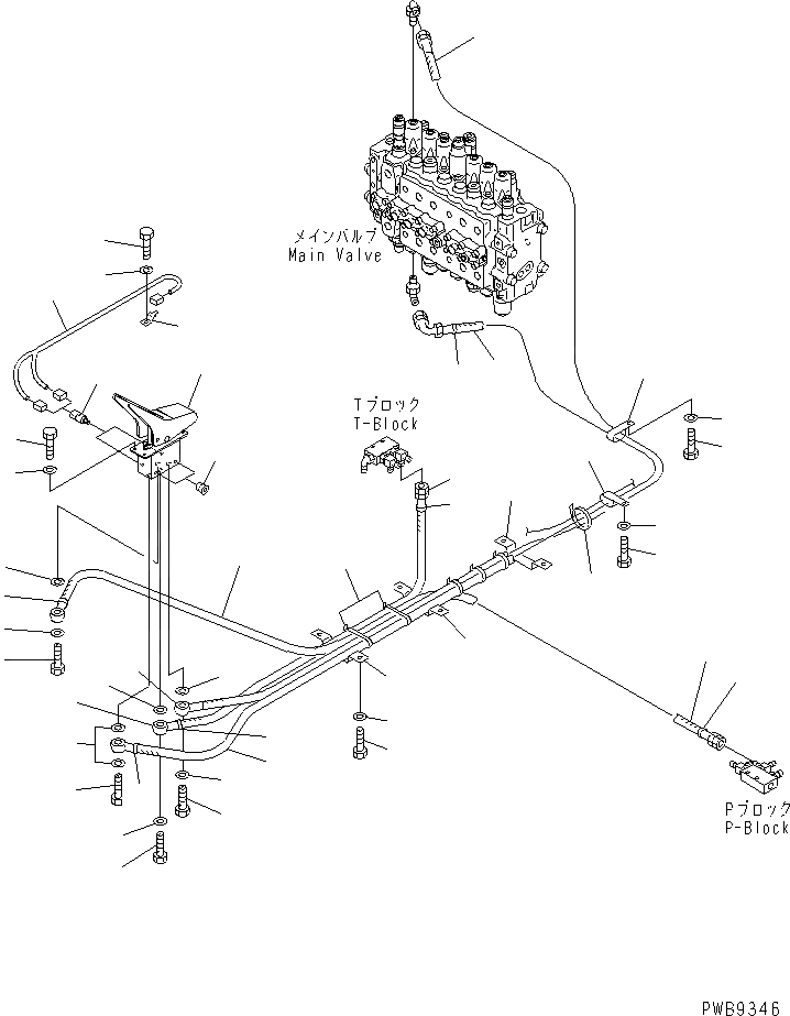
1
2
3
4
5
6
7
8
9
10
10
11
11
12
12
13
13
14
14
15
15
16
16
17
18
18
18
19
20
21
22
23
24
25
25
25
25
26
26
26
26
26
26
26
27
28
29
FIT
1:1
100%

Артикул

Название

Примечание

Количество

1

20Y-60-K1250

VALVE ASS'Y

2

07043-00108

PLUG

3

01010-80820

BOLT

4

01643-30823

WASHER

5

20Y-06-21710

SWITCH

6

20Y-06-21330

WIRING HARNESS

7

08053-01512

CLIP

8

01010-81220

BOLT

9

01643-31232

WASHER

10

20Y-62-K2241

HOSE

11

20Y-62-K2251

HOSE¤ 2000MM,YELLOW

12

20Y-62-22810

BAND

13

20Y-62-K2890

HOSE

14

20Y-62-22790

BAND¤ RED

15

20Y-62-K2910

HOSE

16

20Y-62-22820

BAND¤ BLUE

17

08034-00536

BAND

18

20Y-62-29180

CLAMP

19

01010-81016

BOLT

20

01643-31032

WASHER

21

08034-00536

BAND

22

21T-72-23270

CLIP

23

01010-81225

BOLT

24

01643-31032

WASHER

25

20Y-970-K180

BOLT

26

20G-62-K2510

WASHER

27

21T-72-23270

CLIP

28

01010-81230

BOLT

29

01643-31232

WASHER

Выбрано товаров: 29