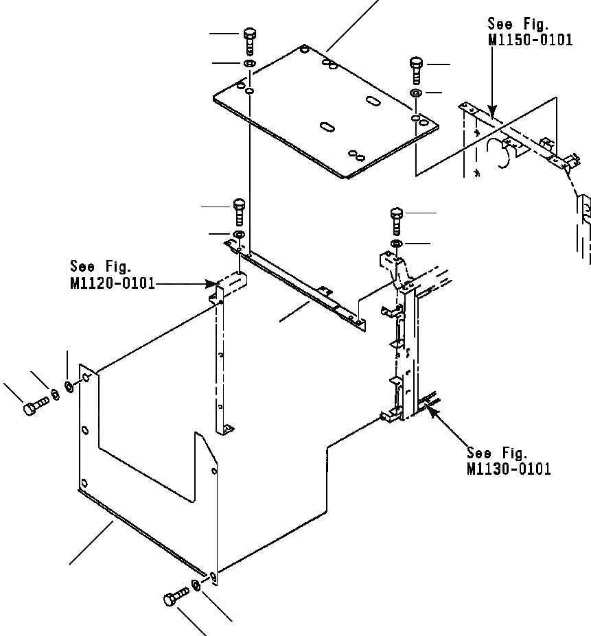
Запчасти Komatsu PC210LC-6L FIG NO. M- ПЕРЕГОРОДКА. (КОНДИЦ. ВОЗДУХА - ВЫС. КРЕПЛЕНИЕ) ЧАСТИ КОРПУСА

Схема запчастей Komatsu PC210LC-6L - FIG NO. M- ПЕРЕГОРОДКА. (КОНДИЦ. ВОЗДУХА - ВЫС. КРЕПЛЕНИЕ) ЧАСТИ КОРПУСА
1
9
2
3
2
3
5
5
6
6
9
4
10
8
7
8
FIT
1:1
100%

Артикул

Название

Примечание

Количество

1

20Y-54-27433

COVER

2

01010-51230

BOLT

3

175-54-34170

WASHER

4

20Y-54-29184

FRAME

5

01010-51230

BOLT

6

01643-31232

WASHER

7

20Y-54-29461

COVER

8

01010-51230

BOLT

9

01643-31232

WASHER

10

20Y-54-29740

COLLAR

Выбрано товаров: 10