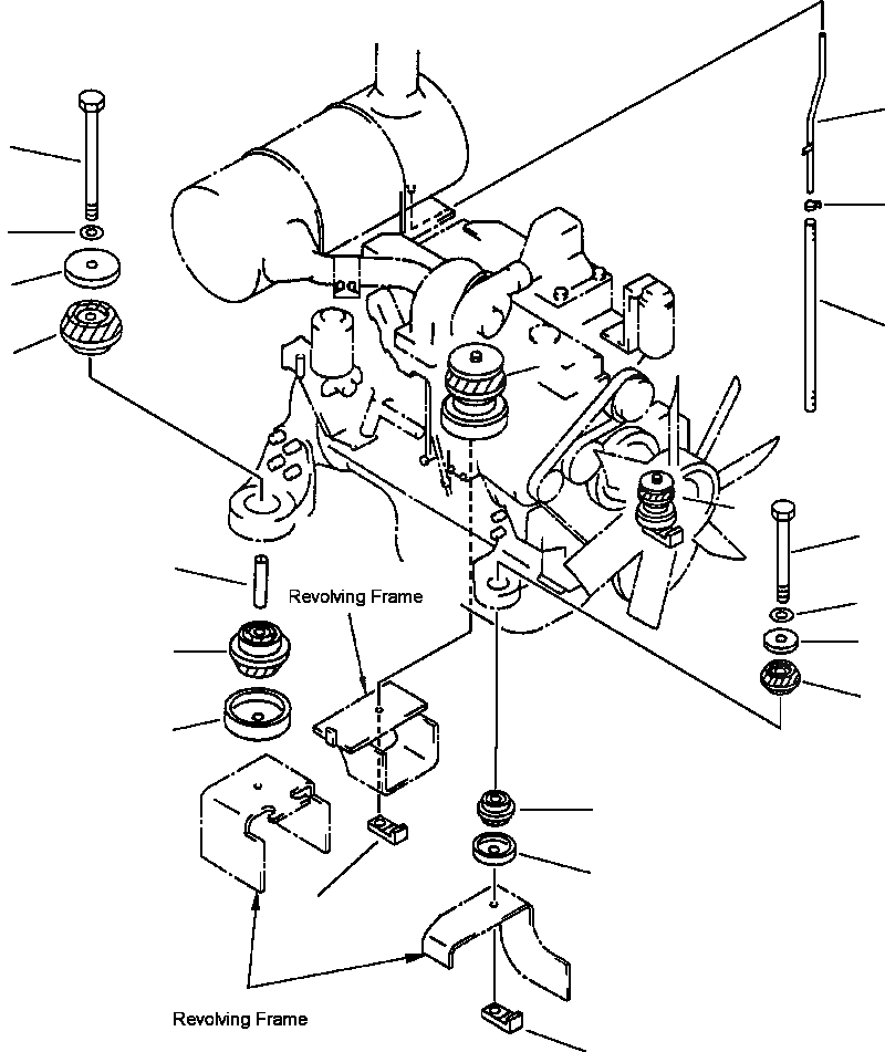
Запчасти Komatsu PC210LC-6L FIG NO. B- КРЕПЛЕНИЕ ДВИГАТЕЛЯ КОМПОНЕНТЫ ДВИГАТЕЛЯ

Схема запчастей Komatsu PC210LC-6L - FIG NO. B- КРЕПЛЕНИЕ ДВИГАТЕЛЯ КОМПОНЕНТЫ ДВИГАТЕЛЯ
14
9
16
11
8
15
6
6
1
12
10
13
3
6
1
7
1
2
4
5
FIT
1:1
100%

Артикул

Название

Примечание

Количество

1

20Y-01-12210

CUSHION

2

20Y-01-12140

STOPPER

3

20Y-01-11141

WASHER

4

20Y-01-22111

NUT

5

20Y-01-12150

NUT

6

20Y-01-12221

CUSHION

7

20Y-01-12160

STOPPER

8

20Y-01-12180

WASHER

9

20Y-01-12280

BOLT

10

20Y-01-12250

SPACER

11

01643-31645

WASHER

12

20Y-01-12270

BOLT

13

01643-31645

WASHER

14

6209-11-5480

TUBE

15

07260-20950

HOSE

16

07285-00155

CLIP

Выбрано товаров: 16