Запчасти Komatsu PC210LC-6LC FIG NO. H- ГИДРОЛИНИЯ НАСОС - ОСНОВН. КЛАПАН ГИДРАВЛИКА

Схема запчастей Komatsu PC210LC-6LC - FIG NO. H- ГИДРОЛИНИЯ НАСОС - ОСНОВН. КЛАПАН ГИДРАВЛИКА
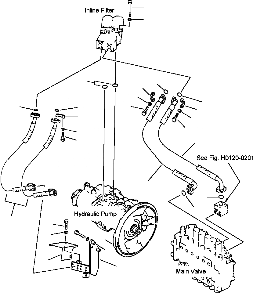
1
2
3
10
11
13
5
12
15
15
6
16
8
7
18
4
17
9
5
10
14
21
22
20
19
FIT
1:1
100%

Артикул

Название

Примечание

Количество

1

01011-81010

BOLT - FOR RECTANGULAR FILTER HOUSING

1

20Y-60-22390

BOLT - FOR CYLINDRICAL FILTER HOUSING

2

01643-51032

WASHER

3

21T-09-11460

O-RING

4

20Y-62-21451

HOSE

5

21T-09-11460

O-RING

6

07371-31049

FLANGE

7

07372-21035

BOLT

8

01643-51032

WASHER

9

20Y-62-A1460

HOSE

10

21T-09-11460

O-RING

11

07371-31049

FLANGE

12

07372-21035

BOLT

13

01643-51032

WASHER

14

20Y-62-11980

HOSE

15

21T-09-11430

O-RING

16

07371-30640

FLANGE

17

07372-21035

BOLT

18

01643-51032

WASHER

19

20Y-62-21861

BRACKET

20

20Y-54-27672

COVER

21

01010-51235

BOLT

22

01643-31232

WASHER

Выбрано товаров: 23