Качественные детали и логистика
Оригинальные и аналоговые запчасти с доставкой по России, Казахстану и Беларуси
©2022 PartSell ООО "Система" ИНН 2463123282 ОГРН 1212400004838
Центральный офис: г. Красноярск, Академика Киренского, д.87, пом.4
Телефон: 8 (800) 777-65-74 Email: zakaz@partsell.ru
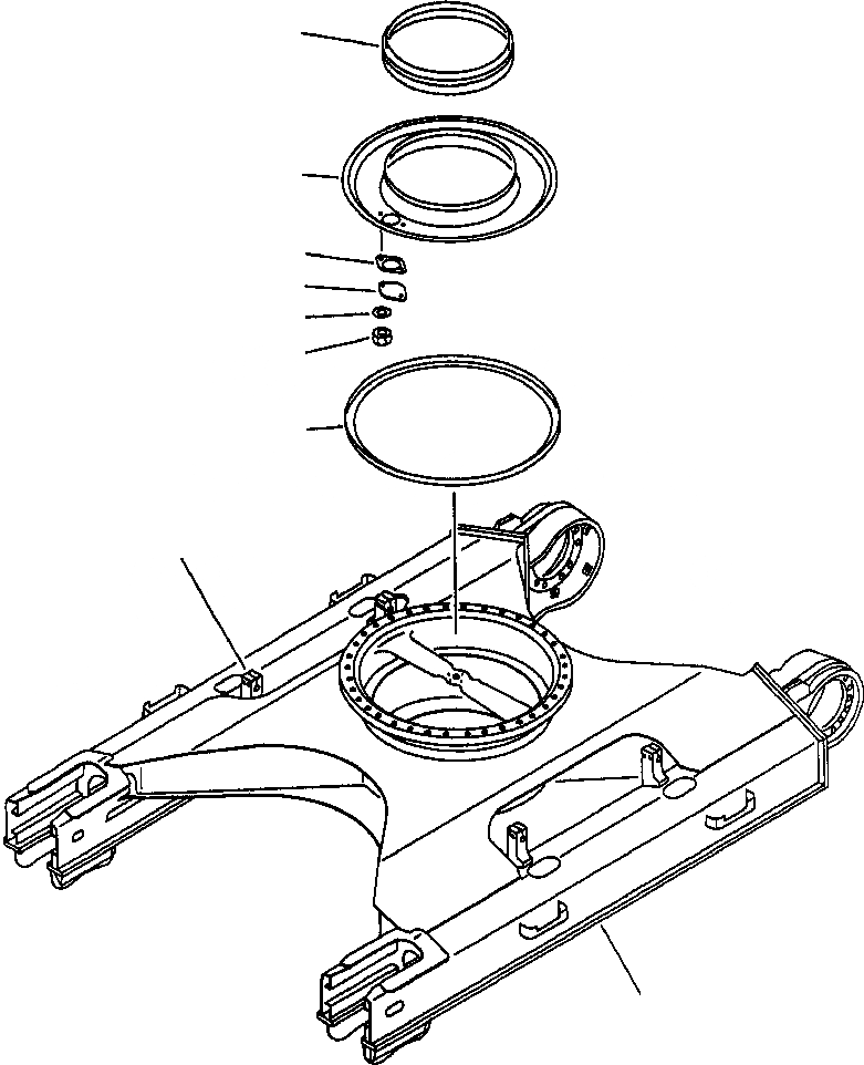
FIG NO. R- ГУСЕНИЧНАЯ РАМА - С КРЫШКОЙ
№
Артикул
Название
Примечание
Количество
1
20Y-30-25210
FRAME, TRACK
1A
20Y-30-11720
PLATE
2
205-30-71171
SEAL
3
20Y-30-21150
COVER
4
205-30-71181
5
205-30-71191
GASKET
6
01580-11008
NUT
7
01643-31032
WASHER
8
20Y-30-11370
Выбрано товаров: 0