Запчасти Komatsu PC210LC-6LE FIG NO. K7-A КОНДИЦ. КОНДЕНСАТОР КАБИНА ОПЕРАТОРА И СИСТЕМА УПРАВЛЕНИЯ

Схема запчастей Komatsu PC210LC-6LE - FIG NO. K7-A КОНДИЦ. КОНДЕНСАТОР КАБИНА ОПЕРАТОРА И СИСТЕМА УПРАВЛЕНИЯ
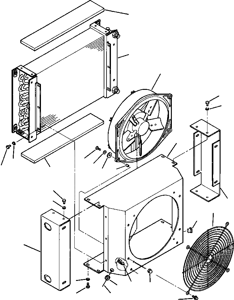
1
13
16
10
3
2
4
3
5
10
1
19
6
10
3
17
14
11
18
3
8
9
12
10
15
7
FIT
1:1
100%

Артикул

Название

Примечание

Количество

|$0

20Y-979-A221

CONDENSER ASSEMBLY

1

425-963-A580

FOAM, COVER

2

425-963-A650

WELDMENT, HOUSING

3

120 380

WASHER, LOCK

4

01010-50820

BOLT

5

01602-20825

WASHER, 8MM LOCKING

6

01643-50823

WASHER, 8MM FLAT

7

20Y-979-A960

BOLT, 1/4-20 X 1/2

8

425-963-A820

TIE, NYLON

9

425-963-A830

NUT, M8 X 1 1/4

10

01010-50610

BOLT

11

425-963-A890

PLUG, 9/16 IN

12

425-963-AB40

GROMMET

13

425-963-AC30

COIL, CONDENSER

14

425-963-AC50

GUARD, FAN

15

20Y-979-A940

HARNESS, WIRING

16

20Y-979-A950

FAN ASSEMBLY

16

20Y-979-A951

FAN ASSEMBLY

17

20Y-979-A920

BRACKET, R.H. COIL GUARD

18

20Y-979-A930

BRACKET, L.H. COIL GUARD

19

1308 979 H1

SPACER

16

20Y-979-A951

FAN ASSEMBLY

19

1308 979 H1

SPACER

Выбрано товаров: 23