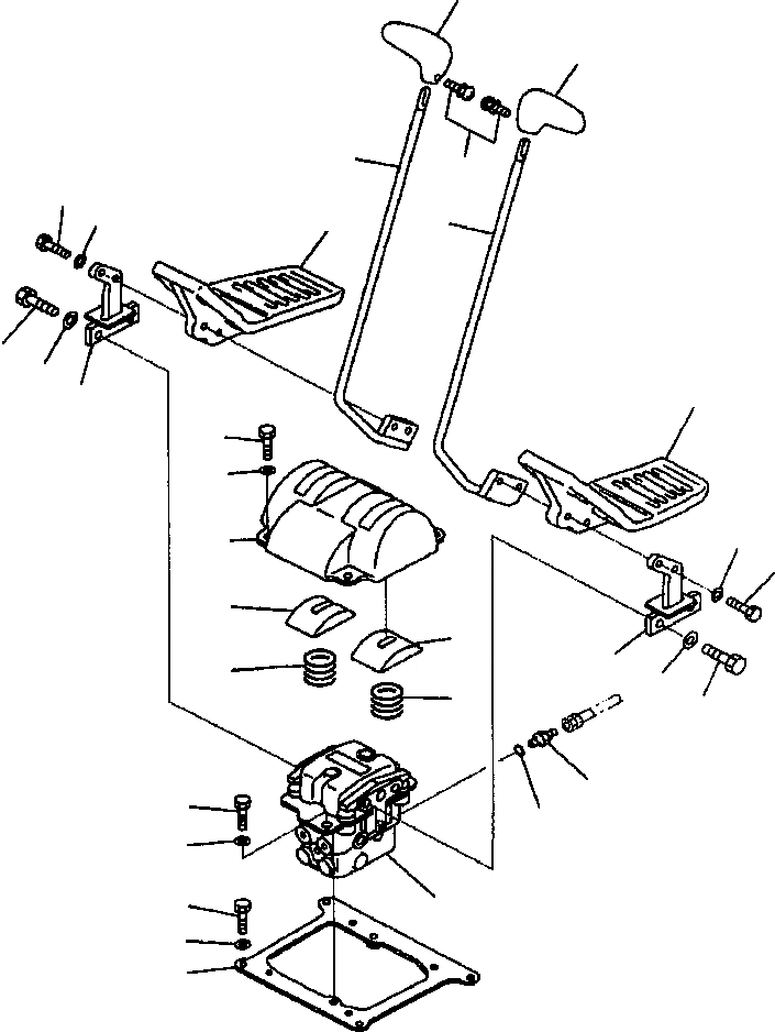
Запчасти Komatsu PC210LC-6LE FIG NO. K-A РЫЧАН УПРАВЛ-Я ХОДОМ (С ДОПОЛН. ГИДРОЛИНИЕЙ) ( АКТУАТОР) КАБИНА ОПЕРАТОРА И СИСТЕМА УПРАВЛЕНИЯ

Схема запчастей Komatsu PC210LC-6LE - FIG NO. K-A РЫЧАН УПРАВЛ-Я ХОДОМ (С ДОПОЛН. ГИДРОЛИНИЕЙ) ( АКТУАТОР) КАБИНА ОПЕРАТОРА И СИСТЕМА УПРАВЛЕНИЯ
18
17
16
24
25
21
15
2
3
20
1
7
8
23
6
22
5
5
1
4
3
4
2
11
13
12
14
26
10
27
9
19
FIT
1:1
100%

Артикул

Название

Примечание

Количество

1

203-43-61310

LEVER

2

01010-81030

BOLT

3

01643-31032

WASHER

4

203-43-51620

SPRING

5

20Y-43-21140

COVER

6

20Y-43-21150

COVER

7

01010-D1025

BOLT

8

01643-71032

WASHER

9

20Y-43-21161

PLATE

11

07230-20210

NIPPLE

12

07002-01423

O-RING

13

01010-81025

BOLT

14

01643-31032

WASHER

15

20Y-43-21121

LEVER

16

20Y-43-21131

LEVER

17

20Y-43-21231

KNOB, LH

18

20Y-43-21241

KNOB, RH

19

01023-20416

SCREW

20

20Y-43-21180

PEDAL, LH

21

20Y-43-21190

PEDAL, RH

22

01010-D1045

BOLT

23

01643-71032

WASHER

24

01010-D1045

BOLT

25

01643-71032

WASHER

26

01010-D1025

BOLT

27

01643-71032

WASHER

Выбрано товаров: 26