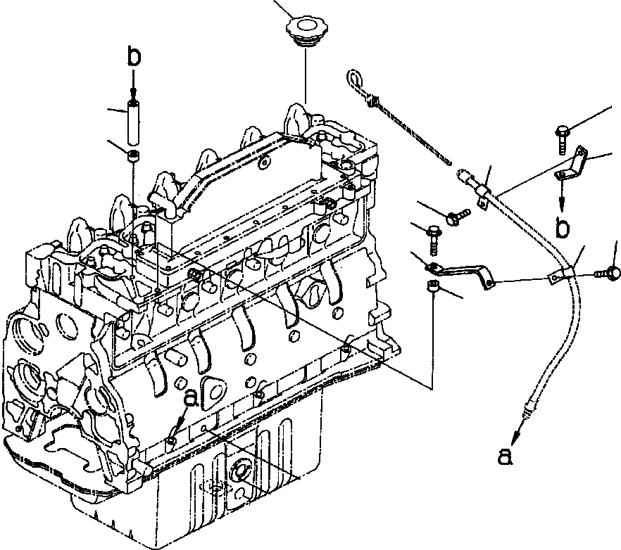
Запчасти Komatsu PC210LC-6LE FIG NO. B7-A МАСЛЯНЫЙ ЩУП КОРПУС КОМПОНЕНТЫ ДВИГАТЕЛЯ

Схема запчастей Komatsu PC210LC-6LE - FIG NO. B7-A МАСЛЯНЫЙ ЩУП КОРПУС КОМПОНЕНТЫ ДВИГАТЕЛЯ
2
3
4
5
12
6
9
7
11
1
8
10
FIT
1:1
100%

Артикул

Название

Примечание

Количество

1

6735-21-5220

BRACKET

2

6150-71-7130

COLLAR

3

6131-12-5920

SPACER

4

04434-51210

CLIP

5

01435-21014

BOLT

6

01435-00890

BOLT

7

6735-21-5230

BRACKET

8

20Y-01-A3210

SPACER

9

04434-51210

CLIP

10

01435-21014

BOLT

11

01436-01020

BOLT

12

6130-12-8610

CAP, OIL FILLER

Выбрано товаров: 12