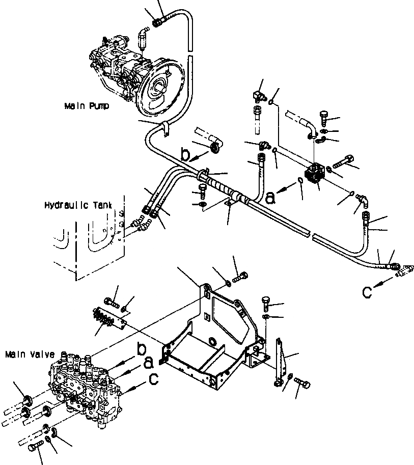
Запчасти Komatsu PC210LC-6LE FIG NO. H- ОСНОВН. КЛАПАН КОРПУС ГИДРАВЛИКА

Схема запчастей Komatsu PC210LC-6LE - FIG NO. H- ОСНОВН. КЛАПАН КОРПУС ГИДРАВЛИКА
32
31
19
20
17
37
18
16
16
28
14
36
22
28
15
34
12
35
13
24
32
30
23
33
29
4
5
1
10
11
2
3
9
6
25
8
7
25
27
26
21
31
29
30
FIT
1:1
100%

Артикул

Название

Примечание

Количество

1

20Y-62-27411

BRACKET, MAIN CONTROL VALVE

2

01010-81655

BOLT

3

01643-31645

WASHER

4

01010-81650

BOLT

5

01643-31645

WASHER

6

20Y-62-27191

BRACKET

7

01010-81230

BOLT

8

01643-31232

WASHER

9

20Y-62-21263

BRACKET

10

01010-81235

BOLT

11

01643-31232

WASHER

12

702-21-09146

VALVE ASSEMBLY

13

21T-09-11460

O-RING

14

708-27-12560

BOLT

15

01643-51032

WASHER

16

07371-31049

FLANGE

17

07372-21035

BOLT

18

01643-51032

WASHER

19

21Y-62-17810

ELBOW ASSEMBLY

20

07002-12434

O-RING

21

07235-10210

ELBOW

22

07002-11423

O-RING

23

07235-10210

ELBOW

24

07002-11423

O-RING

25

07371-31049

FLANGE

26

07372-21035

BOLT

27

01643-51032

WASHER

|$27

20Y-62-27241

HOSE ASSEMBLY

28

203-62-52280

HOSE

29

20Y-62-22881

HOSE

30

20Y-62-22820

BAND, BLUE

31

07096-00221

HOSE

32

20Y-62-22810

BAND, YELLOW

33

04434-52712

CLIP

34

01010-81225

BOLT

35

01643-31232

WASHER

36

08034-00519

BAND

37

04434-51512

CLIP

Выбрано товаров: 38