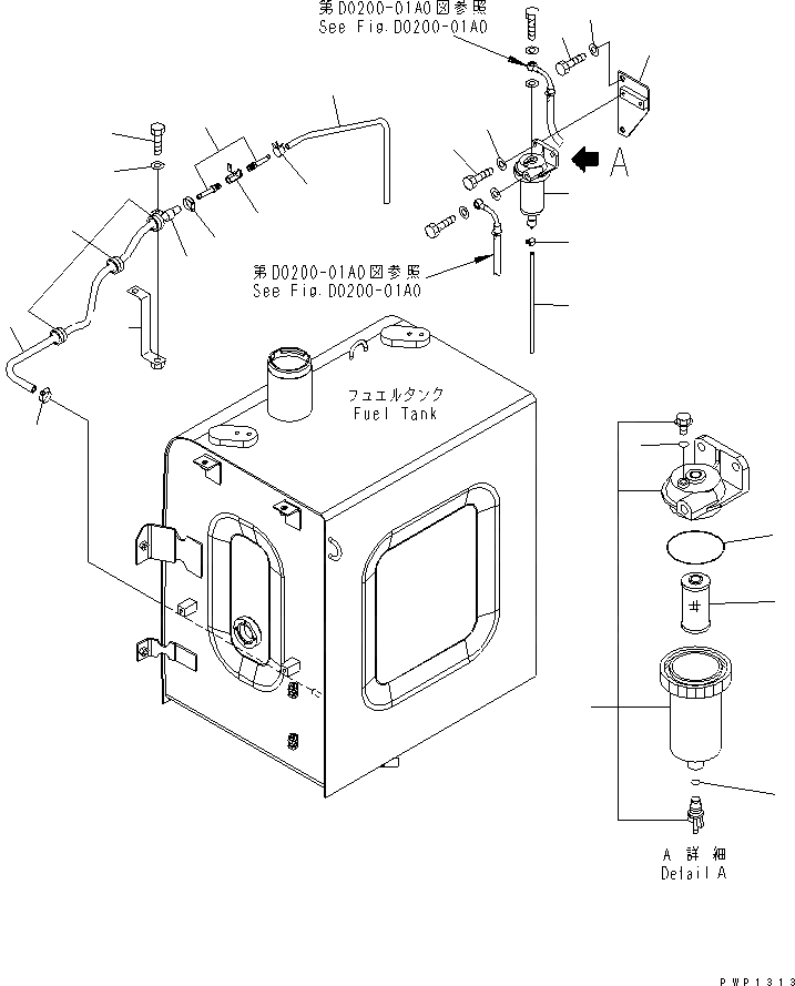
Запчасти Komatsu PC210LC-7K ТОПЛИВНАЯ ЛИНИЯ (ВОДООТДЕЛИТЕЛЬ И ДРЕНАЖН.) ТОПЛИВН. БАК. AND КОМПОНЕНТЫ

Схема запчастей Komatsu PC210LC-7K - ТОПЛИВНАЯ ЛИНИЯ (ВОДООТДЕЛИТЕЛЬ И ДРЕНАЖН.) ТОПЛИВН. БАК. AND КОМПОНЕНТЫ
1
1
2
3
4
5
6
7
8
9
10
11
12
13
14
14
15
16
17
18
19
20
21
22
23
FIT
1:1
100%

Артикул

Название

Примечание

Количество

1

22U-04-21131

WATER SEPARATOR

2

07000-11006

O-RING

3

07000-11007

O-RING

4

07000-12065

O-RING

5

22U-04-21260

ELEMENT

6

01010-81025

BOLT

7

01643-31032

WASHER

8

07270-00630

TUBE

9

07285-00085

CLIP

|9

07285-00080

CLIP

10

20Y-04-31131

BRACKET

11

01010-81225

BOLT

12

01643-31232

WASHER

13

07288-01011

HOSE

14

07281-00197

CLAMP

15

20Y-04-31170

NIPPLE

16

04434-51612

CLIP

17

01010-81225

BOLT

18

01643-31232

WASHER

19

07700-50240

VALVE

20

07285-00115

CLIP

21

07270-01070

TUBE

22

205-977-7310

GROMMET

23

20Y-04-31150

BRACKET

Выбрано товаров: 24