Запчасти Komatsu PC210LC-7K 2-СЕКЦИОНН. СТРЕЛА (1-Я СТРЕЛА И ADJUST ПАЛЕЦ ЦИЛИНДРА) РАБОЧЕЕ ОБОРУДОВАНИЕ

Схема запчастей Komatsu PC210LC-7K - 2-СЕКЦИОНН. СТРЕЛА (1-Я СТРЕЛА И ADJUST ПАЛЕЦ ЦИЛИНДРА) РАБОЧЕЕ ОБОРУДОВАНИЕ
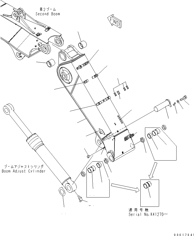
1
2
3
4
5
6
7
7
8
9
10
11
11
11
12
12
13
13
14
15
15
16
17
18
19
20
21
FIT
1:1
100%

Артикул

Название

Примечание

Количество

1

20Y-966-3110

BOOM,FIRST

2

205-62-73430

SEAT

3

20Y-62-13760

SEAT

4

20Y-62-31330

CLAMP (WELDED)

|4

20Y-62-24170

BRACKET (WELDED)

5

20Y-62-45182

BRACKET (WELDED)

6

20Y-62-45210

BRACKET (WELDED)

7

20Y-62-45740

BRACKET (WELDED)

8

20Y-62-45750

BRACKET (WELDED)

9

20Y-62-46230

BRACKET (WELDED)

10

20Y-70-11651

SEAT (WELDED)

11

20Y-70-31510

BUSHING

|11

20Y-70-31261

BUSHING

12

20Y-70-31490

BUSHING

13

07145-00090

SEAL

14

07049-01215

PLUG

15

20Y-70-31710

BUSHING

16

208-70-61191

PIN

17

207-70-72390

SPACER¤ 2MM

18

205-70-66580

PLATE

19

01010-81235

BOLT

20

01643-31232

WASHER

21

07020-00900

FITTING

Выбрано товаров: 23