Качественные детали и логистика
Оригинальные и аналоговые запчасти с доставкой по России, Казахстану и Беларуси
©2022 PartSell ООО "Система" ИНН 2463123282 ОГРН 1212400004838
Центральный офис: г. Красноярск, Академика Киренского, д.87, пом.4
Телефон: 8 (800) 777-65-74 Email: zakaz@partsell.ru
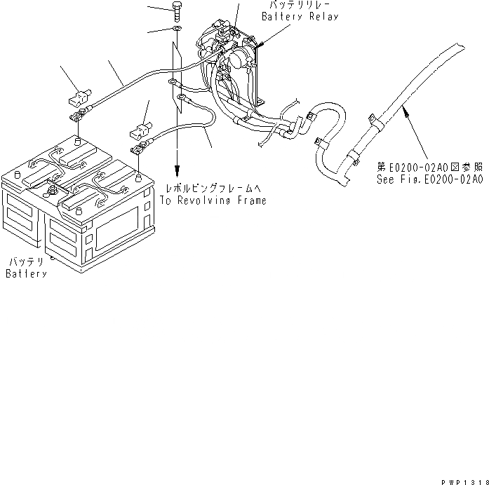
ЭЛЕКТРОПРОВОДКА (АККУМУЛЯТОРН. ОТСЕК)
№
Артикул
Название
Примечание
Количество
1
08028-AC055
CABLE
2
08038-22511
CAP
3
08028-CC040
4
08038-42511
5
08038-06031
6
01010-81020
BOLT
7
01643-31032
WASHER
Выбрано товаров: 0