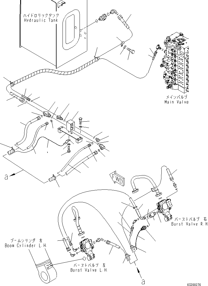
Запчасти Komatsu PC210LC-7K КЛАПАН ПЕРЕГРУЗКИ СТРЕЛЫ (СТРЕЛА) (ШАССИ) (№8-) ГИДРАВЛИКА

Схема запчастей Komatsu PC210LC-7K - КЛАПАН ПЕРЕГРУЗКИ СТРЕЛЫ (СТРЕЛА) (ШАССИ) (№8-) ГИДРАВЛИКА
38
41
39
43
42
37
40
39
38
16
15
37
40
18
13
14
17
19
4
2
3
8
7
11
10
12
23
20
21
22
9
36
5
6
35
34
25
26
24
27
18
1
29
27
25
23
21
20
22
26
34
33
31
30
32
28
24
FIT
1:1
100%

Артикул

Название

Примечание

Количество

1

20Y-62-K2052

BRACKET

|1

20Y-62-K2051

BRACKET

2

01010-81255

BOLT

3

01643-31232

WASHER

4

20Y-62-K2041

BLOCK

5

01010-81255

BOLT

6

01643-31232

WASHER

7

02782-10210

ELBOW

8

07002-11423

O-RING

9

02896-11008

O-RING

10

02782-10422

ELBOW

11

02896-11012

O-RING

12

07002-12034

O-RING

13

20Y-62-K6150

TEE

14

02896-11012

O-RING

15

02896-11015

O-RING

16

07002-12034

O-RING

17

11Y-62-12330

TEE

18

02896-11008

O-RING

19

07002-11423

O-RING

20

02762-004A5

HOSE

21

02760-002A9

HOSE

22

08034-20823

BAND

23

20Y-62-22850

BAND¤ GREEN

24

02762-004A9

HOSE

25

02760-00206

HOSE

26

08034-20823

BAND

27

20Y-62-22850

BAND¤ GREEN

28

02778-00212

HOSE

29

08034-20823

BAND

30

20Y-62-K2060

TEE

31

07002-11423

O-RING

32

02896-11008

O-RING

33

7861-93-1650

SENSOR

34

20Y-06-K2741

HARNESS

35

08034-20823

BAND

36

0819321012

CLIP

37

02760-00217

HOSE

38

02762-00521

HOSE

39

08034-20823

BAND

40

20Y-62-22860

BAND¤ BROWN

41

04434-52512

CLIP

42

01010-81220

BOLT

43

01643-31232

WASHER

Выбрано товаров: 44