Запчасти Komatsu PC210LC-7K КЛАПАН ПЕРЕГРУЗКИ СТРЕЛЫ (СТРЕЛА И РУКОЯТЬ) (ЦИЛИНДР РУКОЯТИ ) (/) (ДЛЯ 2-СЕКЦИОНН. СТРЕЛЫ) ГИДРАВЛИКА

Схема запчастей Komatsu PC210LC-7K - КЛАПАН ПЕРЕГРУЗКИ СТРЕЛЫ (СТРЕЛА И РУКОЯТЬ) (ЦИЛИНДР РУКОЯТИ ) (/) (ДЛЯ 2-СЕКЦИОНН. СТРЕЛЫ) ГИДРАВЛИКА
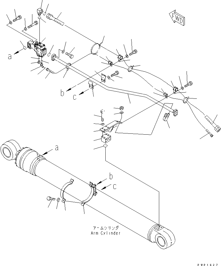
1
2
3
4
5
6
7
8
9
10
11
12
13
14
15
16
17
18
19
19
20
20
21
21
21
22
23
24
25
26
27
28
29
30
31
31
32
33
34
35
36
37
37
38
38
39
39
40
40
41
41
42
42
43
FIT
1:1
100%

Артикул

Название

Примечание

Количество

1

702-21-08340

PILOT VALVE,(SEE FIG.Y1679-11A1)

2

07372-21060

BOLT

3

01643-51032

WASHER

4

07372-21050

BOLT

5

01643-51032

WASHER

6

07000-13030

O-RING

7

206-62-73440

ELBOW

8

07002-12034

O-RING

9

02896-11018

O-RING

10

02782-10311

ELBOW

11

07002-11423

O-RING

12

02896-11009

O-RING

13

07040-11409

PLUG

14

07002-11423

O-RING

15

20Y-62-46461

TUBE

16

07372-21035

BOLT

17

01643-51032

WASHER

18

07000-13030

O-RING

19

02762-00625

HOSE

20

02762-00325

HOSE

21

08034-00519

BAND

22

20Y-62-43720

BRACKET

23

707-88-21260

BAND

24

01010-81035

BOLT

25

01643-31032

WASHER

26

20D-62-17860

ELBOW

27

07000-13035

O-RING

28

20Y-62-46250

BRACKET

29

01010-81080

BOLT

30

01643-31032

WASHER

31

20Y-62-13650

CLAMP

32

01010-81230

BOLT

33

01643-31232

WASHER

34

07283-32738

CLIP

35

01597-01009

NUT

36

01643-31032

WASHER

|36

01643-31032

WASHER

37

04434-51912

CLIP

38

07095-20213

CUSHION

39

04434-53412

CLIP

40

07095-20627

CUSHION

41

01010-81225

BOLT

42

01643-31232

WASHER

43

08034-40521

BAND

Выбрано товаров: 0