Запчасти Komatsu PC210LC-8 WASTE SPEC ЗАПРАВОЧН.LING НАСОС (№K9-) TABLE OF CONTENS PCLC-8 WASTE СПЕЦ-Я

Схема запчастей Komatsu PC210LC-8 WASTE SPEC - ЗАПРАВОЧН.LING НАСОС (№K9-) TABLE OF CONTENS PCLC-8 WASTE СПЕЦ-Я
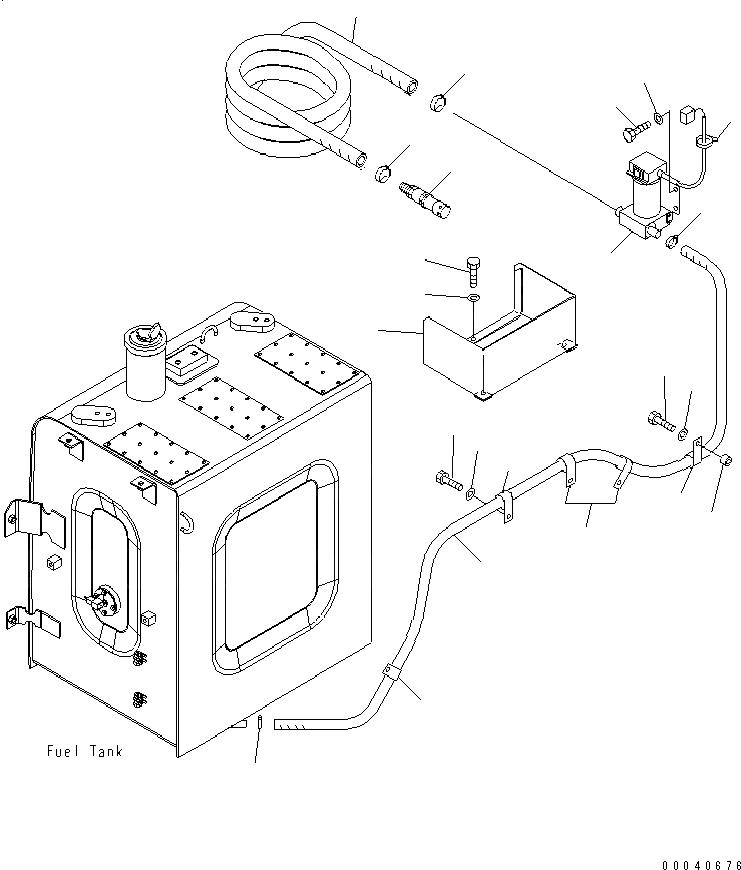
13
3
4
2
2
2
5
6
7
1
14
15
11
12
12
10
16
17
18
9
9
2
8
FIT
1:1
100%

Артикул

Название

Примечание

Количество

1

20Y-04-K4061

PUMP ASSEMBLY

2

04434-52712

CLIP

3

01010-81225

BOLT

4

01643-31232

WASHER

5

144-947-3490

SPACER

6

01010-81240

BOLT

7

01643-31232

WASHER

8

20Y-04-48130

HOSE

9

20Y-04-K2470

CLAMP

10

20Y-04-K2450

VALVE ASSEMBLY

11

20Y-04-K2351

HOSE

12

07289-00035

CLAMP

13

20Y-04-38170

BRACKET

14

01010-81020

BOLT

15

01643-31032

WASHER

16

01010-81225

BOLT

17

01643-31232

WASHER

18

08034-20519

BAND

Выбрано товаров: 0