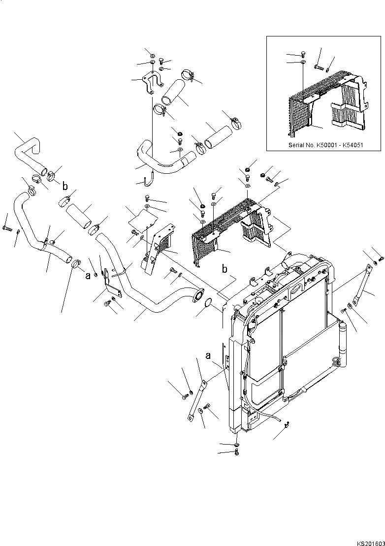
Запчасти Komatsu PC210LC-8 WASTE SPEC ОХЛАЖД-Е (ТРУБКИ ПОСЛЕОХЛАДИТЕЛЯ) TABLE OF CONTENS PCLC-8 WASTE СПЕЦ-Я

Схема запчастей Komatsu PC210LC-8 WASTE SPEC - ОХЛАЖД-Е (ТРУБКИ ПОСЛЕОХЛАДИТЕЛЯ) TABLE OF CONTENS PCLC-8 WASTE СПЕЦ-Я
56
46
47
41
40
2
1
2
55
53
38
39
38
39
29
15
16
4
3
4
35
54
49
16
20
19
22
34
30
31
38
39
34
32
33
36
37
51
50
52
41
34
33
32
25
24
23
29
6
8
7
26
12
28
27
5
11
10
9
13
14
18
17
21
18
24
25
23
42
43
45
44
48
42
43
FIT
1:1
100%

Артикул

Название

Примечание

Количество

1

206-03-21151

HOSE

2

07299-00070

CLAMP

3

20Y-03-41181

HOSE

4

21T-62-69711

CLAMP

5

20Y-03-41191

TUBE

6

07000-E2065

O-RING

7

01010-81030

BOLT

8

01643-31032

WASHER

9

206-03-21651

BRACKET

|9

206-03-21650

BRACKET

10

01010-81230

BOLT

11

01643-31232

WASHER

12

07283-37060

CLIP

13

01643-31032

WASHER

14

01597-01009

NUT

15

20Y-03-41141

HOSE

16

07289-00055

CLAMP

17

20Y-03-41151

HOSE

18

07289-00055

CLAMP

19

208-62-38370

CLIP

20

01010-81035

CLIP

|20

01010-81045

BOLT

21

01643-31032

WASHER

22

201-03-29160

SPACER

|22

195-33-11220

SPACER

23

20Y-03-32660

STAY

24

01010-81635

BOLT

25

01643-31645

WASHER

26

20Y-03-41990

GUARD

27

01010-81025

BOLT

28

01643-31032

WASHER

|29

20Y-03-K1610

GUARD

29

20Y-03-41990

GUARD

30

01252-81020

BOLT

31

01643-31032

WASHER

32

01252-81025

BOLT

33

01643-31032

WASHER

34

17M-911-6330

GROMMET

35

20Y-03-41811

BRACKET

36

01010-81020

BOLT

37

01643-31032

WASHER

38

01010-81025

BOLT

|38

01010-81025

BOLT

39

01643-31032

WASHER

|39

01643-31032

WASHER

40

20Y-03-41161

HOSE

41

21T-62-69711

CLAMP

42

01010-81635

BOLT

43

21T-54-16150

WASHER

44

01010-81640

BOLT

45

01643-31645

WASHER

46

01010-81030

BOLT

47

01643-31032

WASHER

48

206-03-43340

CLIP

|49

20Y-03-K1590

TUBE

49

20Y-03-42110

TUBE

|49

20Y-03-41171

TUBE

50

01252-81025

BOLT

51

01643-31032

WASHER

52

17M-911-6330

GROMMET

53

20Y-03-42150

BRACKET

|53

20Y-03-41740

BRACKET

54

07283-37060

CLIP

55

01643-31032

WASHER

56

01597-01009

NUT

Выбрано товаров: 65