Запчасти Komatsu PC210LC-8K ОСНОВН. КЛАПАН (-АКТУАТОР) (8/) (ДЛЯ 2-СЕКЦИОНН. СТРЕЛЫ) Y ОСНОВН. КОМПОНЕНТЫ И РЕМКОМПЛЕКТЫ

Схема запчастей Komatsu PC210LC-8K - ОСНОВН. КЛАПАН (-АКТУАТОР) (8/) (ДЛЯ 2-СЕКЦИОНН. СТРЕЛЫ) Y ОСНОВН. КОМПОНЕНТЫ И РЕМКОМПЛЕКТЫ
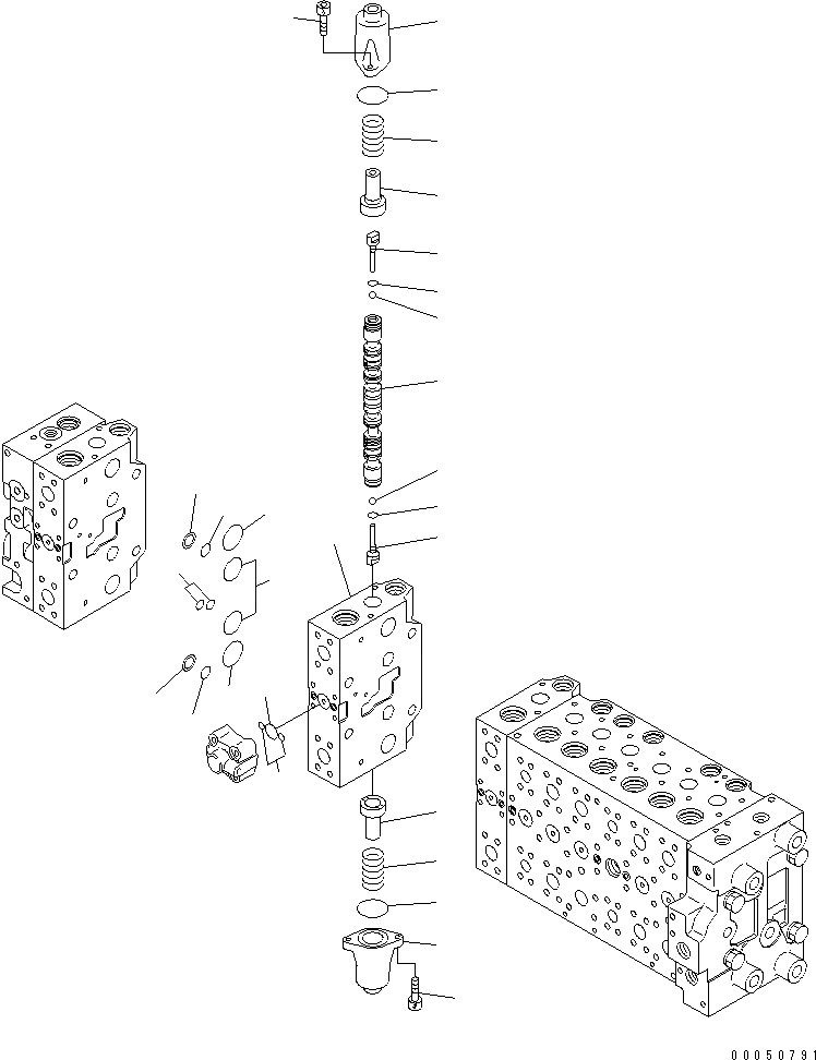
1
2
3
3
4
4
5
5
6
6
7
7
8
8
9
9
10
10
11
12
13
13
14
15
15
16
16
17
FIT
1:1
100%

Артикул

Название

Примечание

Количество

|1

723-49-23704

VALVE ASSEMBLY

|1

723-49-23702

VALVE ASSEMBLY

|1

723-49-23700

VALVE ASSEMBLY

|1

BODY SUB ASSEMBLY

1

BLOCK, VALVE

2

SPOOL

3

723-46-15130

PLUG

4

07002-10823

O-RING

5

708-7T-16460

BALL

6

723-46-15120

RETAINER

7

723-46-14110

SPRING

8

723-46-15111

CASE

9

07430-71380

O-RING

10

01252-60820

BOLT

11

07000-11009

O-RING

12

07000-12021

O-RING

13

723-11-19130

O-RING

14

07000-13032

O-RING

15

723-46-17510

O-RING

16

723-46-17520

RING, BACK-UP

17

723-46-17530

O-RING

Выбрано товаров: 0