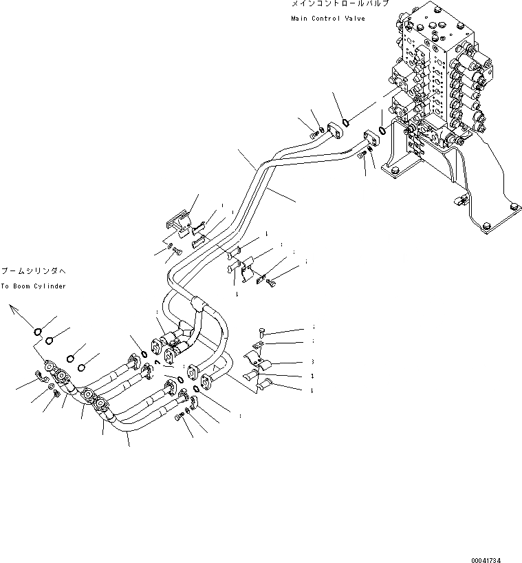
Запчасти Komatsu PC210LC-8K ГИДРОЛИНИЯ СТРЕЛЫ (ГИДРОЛИНИЯ СТРЕЛЫ) H ГИДРАВЛИКА

Схема запчастей Komatsu PC210LC-8K - ГИДРОЛИНИЯ СТРЕЛЫ (ГИДРОЛИНИЯ СТРЕЛЫ) H ГИДРАВЛИКА
1
2
3
3
4
5
6
7
7
8
8
9
10
10
11
12
13
13
13
14
14
14
14
15
15
16
16
17
17
17
17
18
18
18
18
18
18
18
18
19
20
21
FIT
1:1
100%

Артикул

Название

Примечание

Количество

1

20Y-62-44530

TUBE

2

20Y-62-41150

TUBE

3

07000-13032

O-RING

4

07371-30640

FLANGE, SPLIT

5

07372-21035

BOLT

6

01643-51032

WASHER

7

07372-21040

BOLT

8

01643-51032

WASHER

9

206-62-71180

CLAMP

10

20Y-62-13760

SEAT

11

01010-81235

BOLT

12

01643-31232

WASHER

13

20Y-62-13230

CLAMP

14

20Y-62-13760

SEAT

15

01010-81235

BOLT

16

20Y-62-13450

PLATE

17

20Y-62-17480

HOSE

18

07000-13025

O-RING

19

07371-30640

FLANGE, SPLIT

20

07372-21035

BOLT

21

01643-51032

WASHER

Выбрано товаров: 21