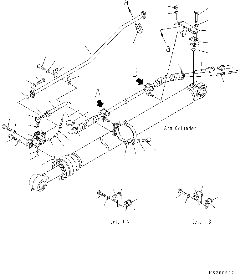
Запчасти Komatsu PC210LC-8K КЛАПАН ПЕРЕГРУЗКИ СТРЕЛЫ (СТРЕЛА И РУКОЯТЬ) (ЦИЛИНДР РУКОЯТИ .9M) (/) (№K7-) H ГИДРАВЛИКА

Схема запчастей Komatsu PC210LC-8K - КЛАПАН ПЕРЕГРУЗКИ СТРЕЛЫ (СТРЕЛА И РУКОЯТЬ) (ЦИЛИНДР РУКОЯТИ .9M) (/) (№K7-) H ГИДРАВЛИКА
45
44
35
36
34
32
33
48
47
46
43
10
30
31
29
29
11
12
13
47
9
7
2
3
8
1
4
5
15
14
6
17
16
18
46
48
49
20
19
22
21
23
24
27
28
25
26
41
42
37
38
40
39
FIT
1:1
100%

Артикул

Название

Примечание

Количество

1

702-21-18151

PILOT VALVE

|1

702-21-08381

PILOT VALVE

|1

702-21-08380

PILOT VALVE

|1

702-21-08340

PILOT VALVE

2

07372-21060

BOLT

3

01643-51032

WASHER

4

07372-21050

BOLT

5

01643-51032

WASHER

6

07000-13030

O-RING

7

206-62-73440

ELBOW

8

07002-12034

O-RING

9

02896-11018

O-RING

10

20Y-62-52541

TUBE

11

07372-21035

BOLT

12

01643-51032

WASHER

13

07000-13030

O-RING

14

07040-11409

PLUG

15

07002-11423

O-RING

16

11Y-62-12510

ELBOW

|16

02782-10311

ELBOW

17

07002-11423

O-RING

18

02896-11009

O-RING

19

707-88-21260

BAND

20

20Y-62-52531

BRACKET

21

01010-81035

BOLT

22

01643-31032

WASHER

23

04434-53412

CLIP

24

07095-20627

CUSHION

25

04434-52112

CLIP

26

07095-20314

CUSHION

27

01010-81225

BOLT

28

01643-31232

WASHER

29

20Y-62-13650

CLAMP

30

01010-81230

BOLT

31

01643-31232

WASHER

32

20D-62-17860

ELBOW

33

07000-13035

O-RING

34

22U-62-27470

BRACKET

35

01010-81095

BOLT

36

01643-31032

WASHER

37

04434-53412

CLIP

38

07095-20627

CUSHION

39

04434-52112

CLIP

40

07095-20314

CUSHION

41

01010-81225

BOLT

42

01643-31232

WASHER

43

07283-32738

CLIP

44

01643-31032

WASHER

45

01597-01009

NUT

46

08034-00536

BAND

47

02762-00651

HOSE

|47

02760-00651

HOSE

48

02760-00352

HOSE

49

08034-00536

BAND

Выбрано товаров: 54