Запчасти Komatsu PC210MH-8 LIFT КАБИНА МАЧТА ГРУППА TABLE OF CONTENTS PCMH-8

Схема запчастей Komatsu PC210MH-8 - LIFT КАБИНА МАЧТА ГРУППА TABLE OF CONTENTS PCMH-8
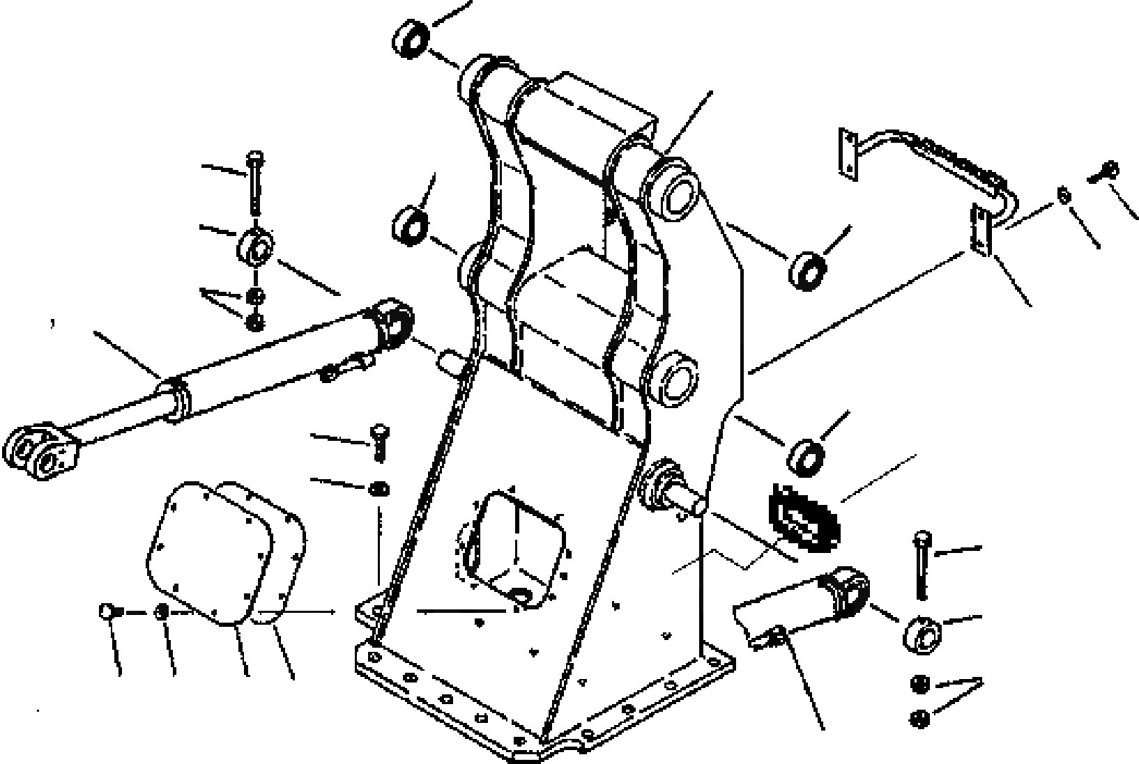
2
1
2
14
16
15
18
2
12
11
13
9
7
8
4
3
6
5
13
11
12
17
10
2
FIT
1:1
100%

Артикул

Название

Примечание

Количество

1

20Y-54-KB160

FRAME

2

20K-54-KA390

BEARING

3

20K-54-83540

PLATE

4

20Y-54-83550

SEAL

5

01010-81030

BOLT

6

01643-31232

WASHER

7

01010-82465

BOLT

8

01643-32460

WASHER

9

20K-63-KA132

CYLINDER ASSEMBLY (LH)

10

20K-63-KA132

CYLINDER ASSEMBLY (RH)

11

20Y-54-83560

COLLAR

12

01011-81415

BOLT

13

01580-11411

NUT

14

20Y-54-83570

STEP

15

01010-81225

BOLT

16

01643-31232

WASHER

17

20K-54-KA350

SPACER

18

20K-54-KA730

GROMMET

Выбрано товаров: 18