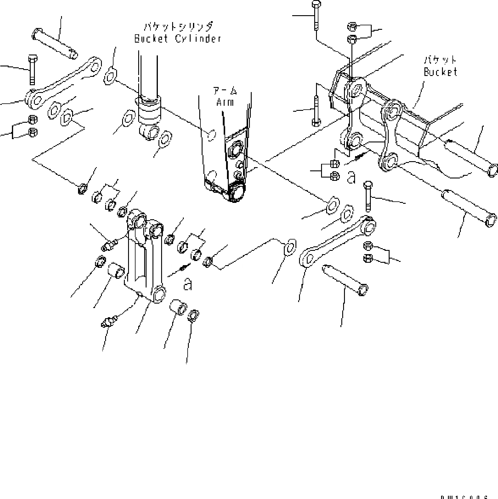
Запчасти Komatsu PC210MH-8 СОЕДИНЕНИЕ КОВШАAGE ( M ПРЯМ. РУКОЯТЬ) TABLE OF CONTENTS PCMH-8

Схема запчастей Komatsu PC210MH-8 - СОЕДИНЕНИЕ КОВШАAGE ( M ПРЯМ. РУКОЯТЬ) TABLE OF CONTENTS PCMH-8
8
11
14
7
15
16
17
16
5
3
5
16
4
6
2
4
1
2
6
5
3
5
16
7
13
10
18
9
11
12
20
22
19
23
21
FIT
1:1
100%

Артикул

Название

Примечание

Количество

1

20Y-70-33121

LINK

2

21K-70-12161

BUSHING

3

20Y-70-32361

BUSHING

4

07020-00000

FITTING

5

20Y-70-23220

SEAL

6

20Y-70-23230

SEAL

7

205-70-73130

LINK

8

22U-70-21191

PIN

9

20Y-70-32450

BOLT

10

01580-12016

NUT (DLF)

11

20Y-70-31450

SPACER

12

20Y-70-31460

SPACER

13

22U-70-21191

PIN

14

20Y-70-32450

BOLT

15

01580-12016

NUT (DLF)

16

20Y-70-31440

SPACER

17

20Y-70-31480

SPACER

18

205-70-73270

PIN

19

205-70-73190

BOLT (DLF)

20

01580-12016

NUT (DLF)

21

205-70-73270

PIN

22

205-70-73190

BOLT (DLF)

23

01580-12016

NUT (DLF)

Выбрано товаров: 23