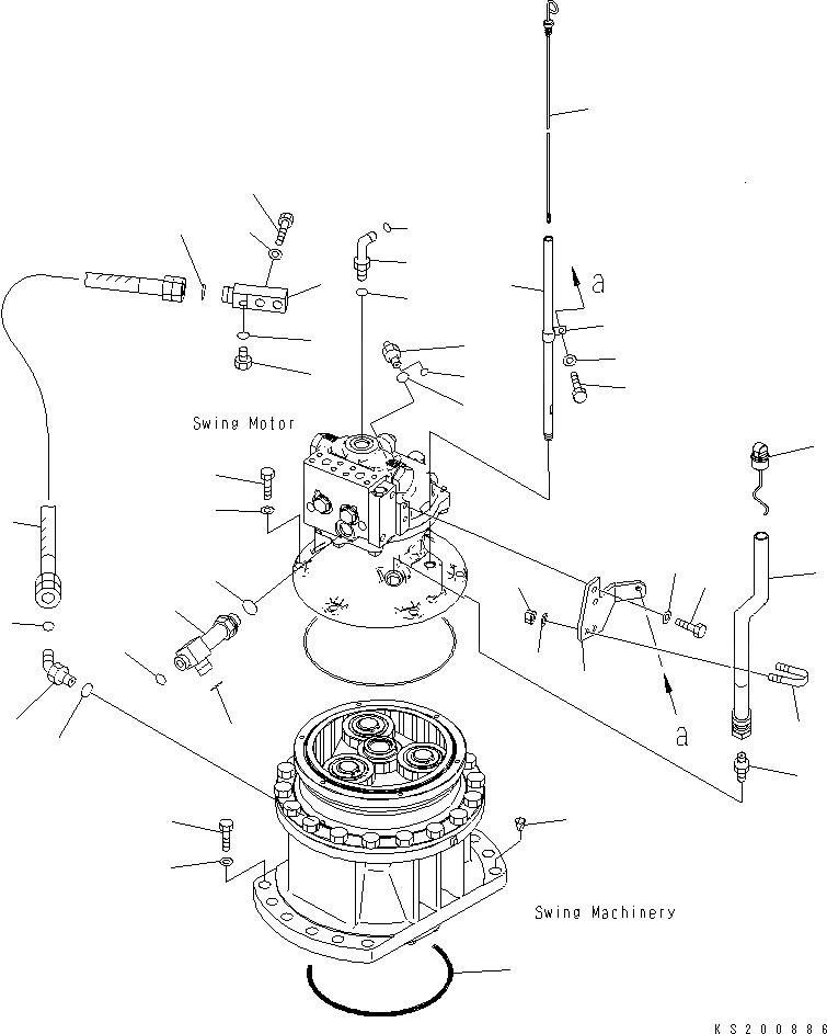
Запчасти Komatsu PC210NLC-8K МЕХАНИЗМ ПОВОРОТА (/) N ПОВОРОТН. КРУГ И КОМПОНЕНТЫ

Схема запчастей Komatsu PC210NLC-8K - МЕХАНИЗМ ПОВОРОТА (/) N ПОВОРОТН. КРУГ И КОМПОНЕНТЫ
13
34
35
4
6
8
7
29
28
30
12
25
26
27
18
24
23
9
10
39
37
38
19
22
21
15
11
17
16
14
20
36
31
33
32
38
2
1
3
5
FIT
1:1
100%

Артикул

Название

Примечание

Количество

1

02783-10522

ELBOW

2

07002-12434

O-RING

3

02896-11015

O-RING

4

02896-11015

O-RING

5

02762-005A5

HOSE

6

20Y-26-31211

ELBOW

7

07040-11409

PLUG

8

07002-11423

O-RING

9

01010-81035

BOLT

10

01643-51032

WASHER

11

20Y-26-31471

TUBE

|11

20Y-26-31470

TUBE

|11

20Y-26-31411

TUBE

12

20Y-26-31421

FILLER

13

20Y-26-31431

GAUGE

14

20Y-26-31441

BRACKET

|14

20Y-26-31460

BRACKET

15

22U-26-21460

CAP

16

07238-10630

CONNECTOR

17

07283-32738

CLIP

18

04434-51710

CLIP

19

01597-01009

NUT

20

01643-31032

WASHER

21

01010-81030

BOLT

22

01643-31032

WASHER

23

01010-81025

BOLT

|23

01010-81030

BOLT

24

01643-31032

WASHER

25

11Y-62-12160

ELBOW

26

02896-11008

O-RING

27

07002-11423

O-RING

28

02782-10630

ELBOW

29

02896-11018

O-RING

30

07002-12434

O-RING

31

07000-15240

O-RING

32

01010-82060

BOLT

33

01643-32060

WASHER

34

01010-81250

BOLT

35

01643-31232

WASHER

36

07049-02430

PLUG

37

20Y-62-41940

ELBOW

38

02896-11015

O-RING

39

07002-12434

O-RING

Выбрано товаров: 43