Запчасти Komatsu PC220-1 ПЕРЕДН. ЛЕНИВЕЦ ХОДОВАЯ

Схема запчастей Komatsu PC220-1 - ПЕРЕДН. ЛЕНИВЕЦ ХОДОВАЯ
FIT
1:1
100%

Артикул

Название

Примечание

Количество

|$0

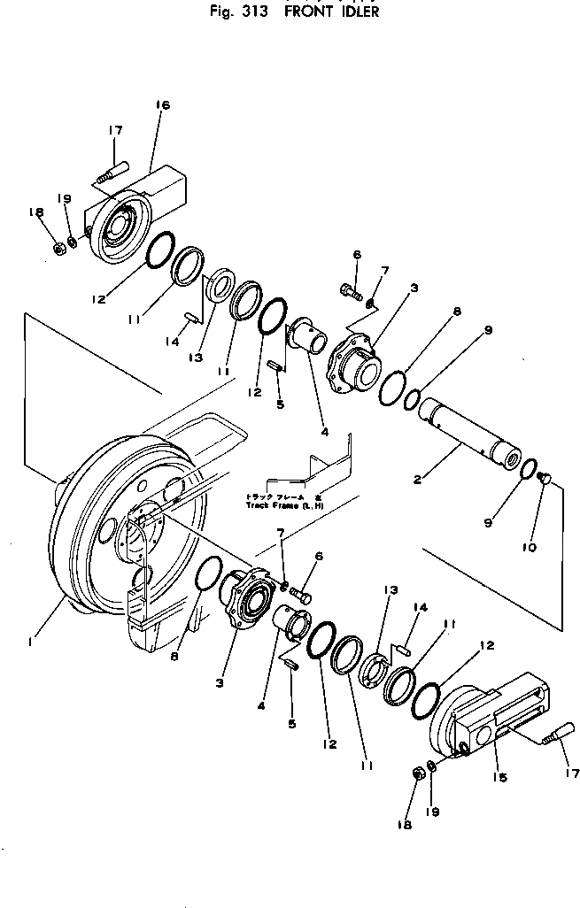
205-30-00014

FRONT IDLER ASS'Y

1

205-30-53110

IDLER

2

205-30-53120

SHAFT

|$3

205-30-00021

BUSHING ASS'Y

3

BUSHING

4

BUSHING

5

141-30-36310

PIN

6

01010-31035

BOLT

7

01602-01030

WASHER

8

07000-02110

O-RING

9

07000-02060

O-RING

10

202-30-13190

PLUG

|$12

130-27-00020

FLOATING SEAL ASS'Y

11

130-27-00150

SEAL RING ASS'Y

11

RING,SEAL

12

130-27-00160

O-RING ASS'Y

12

O-RING

13

205-30-53170

SPACER

14

04020-00616

PIN

15

21K-30-13120

SUPPORT

16

21K-30-13130

SUPPORT

17

130-30-13170

BOLT

18

01582-01613

NUT

19

01643-31645

WASHER

Выбрано товаров: 24