Запчасти Komatsu PC220-1 РАДИАТОР И МАСЛООХЛАДИТЕЛЬ КОМПОНЕНТЫ ДВИГАТЕЛЯ И ЭЛЕКТРИКА

Схема запчастей Komatsu PC220-1 - РАДИАТОР И МАСЛООХЛАДИТЕЛЬ КОМПОНЕНТЫ ДВИГАТЕЛЯ И ЭЛЕКТРИКА
FIT
1:1
100%

Артикул

Название

Примечание

Количество

|$0

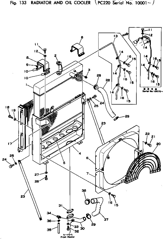
206-03-00010

RADIATOR ASS'Y

1

206-03-41110

CORE

2

101-03-13141

CAP

3

07042-10211

PLUG

4

206-03-42140

FRAME

5

206-03-11130

SEAT

6

206-03-42150

SHROUD

7

206-03-42160

SHROUD

8

281-03-11150

CLAMP

9

281-03-11160

SEAT

10

281-03-11170

SHIM, 0.6MM

11

01010-31025

BOLT

12

01643-31032

WASHER

13

207-03-12160

PIPE

13

202-03-11220

TUBE

14

232-03-11210

CLIP

15

01010-31016

BOLT

16

01643-31032

WASHER

17

206-03-42131

OIL COOLER ASS'Y

17

206-03-42130

OIL COOLER ASS'Y

18

01010-31225

BOLT

19

01643-31232

WASHER

20

206-03-42170

GUARD

21

01010-31025

BOLT

22

01643-31032

WASHER

23

206-03-42181

STAY

24

01010-31235

BOLT

25

01643-31232

WASHER

26

01010-31235

BOLT

27

01643-31232

WASHER

28

206-03-42110

HOSE

29

07281-00709

CLAMP

30

205-03-51170

TUBE

31

110-03-11490

GASKET

32

01010-31230

BOLT

33

01643-31232

WASHER

34

07730-30004

VALVE

35

07270-01535

TUBE

36

07280-01920

CLAMP

37

205-03-62340

HOSE

38

07281-00809

CLAMP

Выбрано товаров: 0