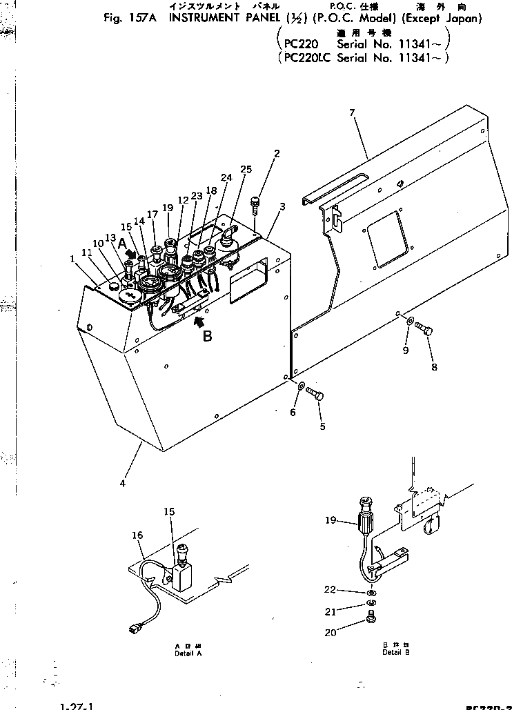
Запчасти Komatsu PC220-2 ПАНЕЛЬ ПРИБОРОВ (/) (P.O.C. MODEL) (E.J.)(№-) КОМПОНЕНТЫ ДВИГАТЕЛЯ И ЭЛЕКТРИКА

Схема запчастей Komatsu PC220-2 - ПАНЕЛЬ ПРИБОРОВ (/) (P.O.C. MODEL) (E.J.)(№-) КОМПОНЕНТЫ ДВИГАТЕЛЯ И ЭЛЕКТРИКА
FIT
1:1
100%

Артикул

Название

Примечание

Количество

1

205-06-64110

PANEL,INSTRUMENT

2

205-06-64370

SCREW

3

205-06-64121

COVER

4

205-06-64131

COVER

5

01010-50820

BOLT

6

01643-30823

WASHER

7

205-06-64151

COVER

8

01010-50820

BOLT

9

01643-30823

WASHER

10

09414-00053

CAP

11

09415-01610

CAP

12

08687-22401

METER,SERVICE

13

09481-02400

SWITCH,HEATER

14

208-06-11280

GAUGE,WATER TEMPERATURE

15

08183-00000

SWITCH,WIPER

16

205-06-61290

WIRE ASS'Y

17

08061-40010

SWITCH,LAMP

18

125-06-22220

LAMP,CHARGE

18

08111-02430

BULB, 3W

19

195-822-6151

LIGHTER,CIGARETTE

20

01220-40412

SCREW

21

01601-20410

WASHER,SPRING

22

01641-20405

WASHER

23

125-06-22210

LAMP,OIL PRESSURE

23

08111-02430

BULB, 3W

24

600-815-2371

SIGNAL,HEATER

25

08087-10000

SWITCH,STARTING

Выбрано товаров: 27