Запчасти Komatsu PC220-2 ПРУЖИНА ХОДОВАЯ

Схема запчастей Komatsu PC220-2 - ПРУЖИНА ХОДОВАЯ
FIT
1:1
100%

Артикул

Название

Примечание

Количество

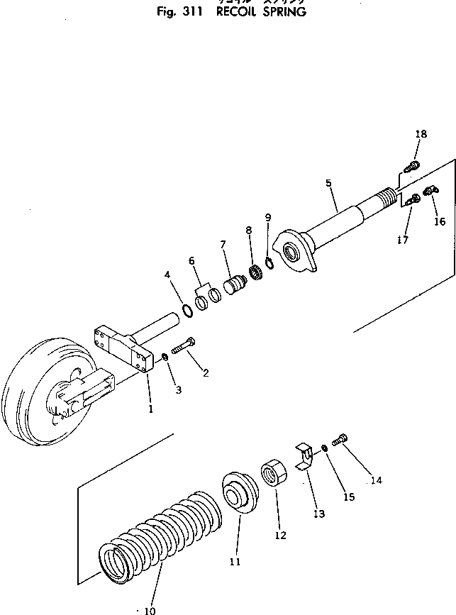
1

205-30-64570

YOKE

2

01010-51675

BOLT

3

01643-31645

WASHER

4

07000-05070

O-RING

5

205-30-64580

CYLINDER

6

07155-00720

RING,WEAR

7

203-30-34141

PISTON

8

09370-00070

U-PACKING

9

04064-04518

RING,SNAP

10

205-30-64591

SPRING

10

205-30-64590

SPRING

11

205-30-64530

COLLAR

12

205-30-64540

NUT

13

205-30-64550

LOCK

14

01010-51225

BOLT

15

01643-31232

WASHER

16

07020-00900

FITTING,GREASE

17

201-30-14280

LUBRICATOR

18

195-30-13180

CAP

Выбрано товаров: 19