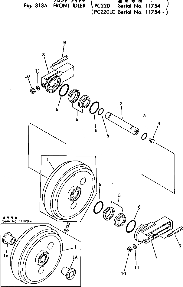
Запчасти Komatsu PC220-2 ПЕРЕДН. ЛЕНИВЕЦ(№7-) ХОДОВАЯ

Схема запчастей Komatsu PC220-2 - ПЕРЕДН. ЛЕНИВЕЦ(№7-) ХОДОВАЯ
FIT
1:1
100%

Артикул

Название

Примечание

Количество

|$0

205-30-00074

FRONT IDLER ASS'Y

|$1

205-30-00073

FRONT IDLER ASS'Y

1

205-30-63520

IDLER

1

205-30-63510

IDLER

1A

205-30-63570

BUSHING

2

205-30-63531

SHAFT

3

07000-02060

O-RING

4

202-30-13190

PLUG

|$9

195-30-00302

FLOATING SEAL ASS'Y

5

195-30-00291

SEAL RING ASS'Y

5

RING,SEAL

6

130-27-00161

O-RING ASS'Y

6

O-RING

7

205-30-63541

SUPPORT,L.H.

8

205-30-63551

SUPPORT,R.H.

9

130-30-13170

BOLT

10

01582-01613

NUT

11

01643-31645

WASHER

Выбрано товаров: 18