Запчасти Komatsu PC220-3 ГТР РЕГУЛИР. УПРАВЛЯЮЩ. КЛАПАН (С -STAGE SELECTOR MODE OLSS) УПРАВЛ-Е РАБОЧИМ ОБОРУДОВАНИЕМ

Схема запчастей Komatsu PC220-3 - ГТР РЕГУЛИР. УПРАВЛЯЮЩ. КЛАПАН (С -STAGE SELECTOR MODE OLSS) УПРАВЛ-Е РАБОЧИМ ОБОРУДОВАНИЕМ
FIT
1:1
100%

Артикул

Название

Примечание

Количество

|$0

708-25-01074

PUMP ASS'Y

|$1

708-25-01073

PUMP ASS'Y

|$2

708-25-01072

PUMP ASS'Y

|$3

708-25-01071

PUMP ASS'Y

|$4

708-25-01070

PUMP ASS'Y

|$5

708-25-30100

HYDRAULIC PUMP ASS'Y

|$6

708-25-36100

SERVO VALVE ASS'Y,REAR

|$7

708-25-38100

VALVE ASS'Y

|$8

708-23-07050

BODY ASS'Y

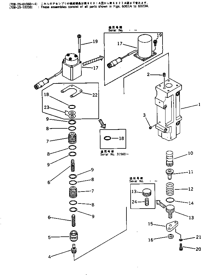
1

BODY

2

PLUG

3

720-68-19740

PLUG

4

708-23-18120

PISTON

5

708-23-18130

SLEEVE

6

708-23-18140

PISTON

7

708-23-18150

SLEEVE

8

07000-12016

O-RING

9

07001-02016

RING,BACK-UP

10

708-23-18161

SPOOL

11

708-23-18170

SEAT

12

708-23-18181

SPRING

13

708-23-15140

PLUG

14

07000-02018

O-RING

15

708-23-18210

COVER

16

01580-10806

NUT

17

708-23-18220

SOLENOID ASS'Y

18

07000-02016

O-RING

19

720-68-19750

BOLT

20

01252-30616

BOLT

21

01602-20619

WASHER,SPRING

22

708-25-18570

SHIM, 0.50MM

23

708-25-18580

SHIM, 0.50MM

Выбрано товаров: 32